轻便消防水龙安装图集

浙江省住宅阳台设置轻便消防水龙给这样的开发商点赞
图片尺寸569x548
轻便消防水龙柜成套的价格是多少呢?有没有懂的给个价格参考.
图片尺寸1121x756
轻便消防水龙箱户内型
图片尺寸1038x656
消防软管卷盘和轻便消防水龙的区别你了解多少
图片尺寸1080x661
消防设施操作员软管卷盘和轻便消防水龙解析
图片尺寸880x388
轻便消防水龙箱套装500380130简易型lqg16水龙带25自救卷盘p250
图片尺寸750x947
你好 请问这个轻便水龙到底是什么意思 要怎么配置呢
图片尺寸963x682
浅谈消防软管卷盘或轻便消防水龙
图片尺寸554x369
浅谈消防软管卷盘或轻便消防水龙
图片尺寸554x388
锌合金明佳三联入墙式暗装冷热花洒淋浴混水龙头
图片尺寸760x1220
消防水池取水口做法要点
图片尺寸1403x968
样张替代04s206备注本图集为设计选用及安装图集,设计人员可根据图集
图片尺寸1600x1131
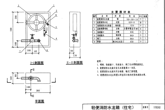
轻便消防水龙柜安装见本图集第55~58页.3.
图片尺寸332x428
图4-20 轻便消防水龙
图片尺寸450x337
轻便消防水龙和消防软管卷盘-区别及概念
图片尺寸730x480
高层户内的轻便型消防水龙箱计量包含截图中的这些吗
图片尺寸791x423
陕西标准图集做法
图片尺寸700x492
样张替代04s206备注本图集为设计选用及安装图集,设计人员可根据图集
图片尺寸1600x1131
04s206:自动喷水与水喷雾灭火设施安装
图片尺寸1000x702
淋浴龙头安装高度
图片尺寸600x400