载重线图

展开全部 tf热带淡水 f淡水 t热带海水 s夏季载重线 w冬季载重线 naa
图片尺寸480x306
载重线标记
图片尺寸1024x1366
载重线和水尺读取
图片尺寸3456x2160
船载重线为何忽上忽下?
图片尺寸469x331
船舶载重线标志
图片尺寸500x421
载重线位置标识船名免费
图片尺寸1080x563
有条船的载重线标记就有一侧字母做反了,是施工工人没有仔细看图纸
图片尺寸720x502
船舶载重线
图片尺寸380x300
【百科】船舶载重线标志
图片尺寸893x456
百科:船舶载重线标志.docx 3页
图片尺寸792x1120
砂石运输船典型缺陷大盘点②带你剖析改动载重线标志的那些小伎俩
图片尺寸672x503
关于载重线,船员不得不知的那些事儿_船舶_超载_line
图片尺寸720x1281
载重线标志
图片尺寸724x566
ccs对不同船舶的载重线标志的勘划有何区别
图片尺寸576x393
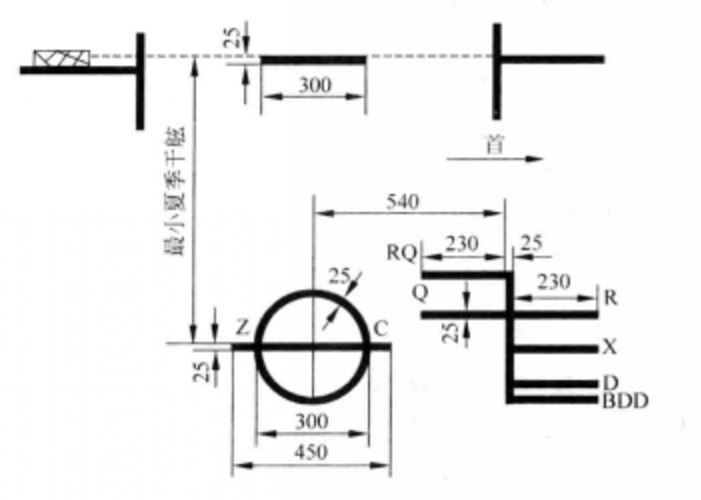
载重线标尺
图片尺寸701x500
p>载重线表示船舶在允许的最大载重情况时水面位置的水平线.
图片尺寸917x687
分舱载重线
图片尺寸555x315
典型案例某船载重线勘划错误被滞留船检被追究责任
图片尺寸951x685
你所知道和不知道的船舶载重线
图片尺寸600x454
5月1日开始载重线和货物装载专项检查准备好了吗
图片尺寸368x262