过载保护电路

电源过载保护电路
图片尺寸613x549
简单的电机过载保护电路
图片尺寸871x555
过载保护电路
图片尺寸462x449
电气控制过载保护系统
图片尺寸515x380
音频电路中的过载保护电路
图片尺寸462x449
电机保护器hdersd1系列电子式过电流继电器电动机过载保护器
图片尺寸921x568
三相异步电机热过载保护接线图
图片尺寸600x416
过载保护的正转控制电路
图片尺寸977x656
带有过载保护的自锁正转控制线路
图片尺寸920x690
一种过载保护电路的制作方法
图片尺寸1000x475
漏电保护器过载保护电路原理图
图片尺寸1039x730
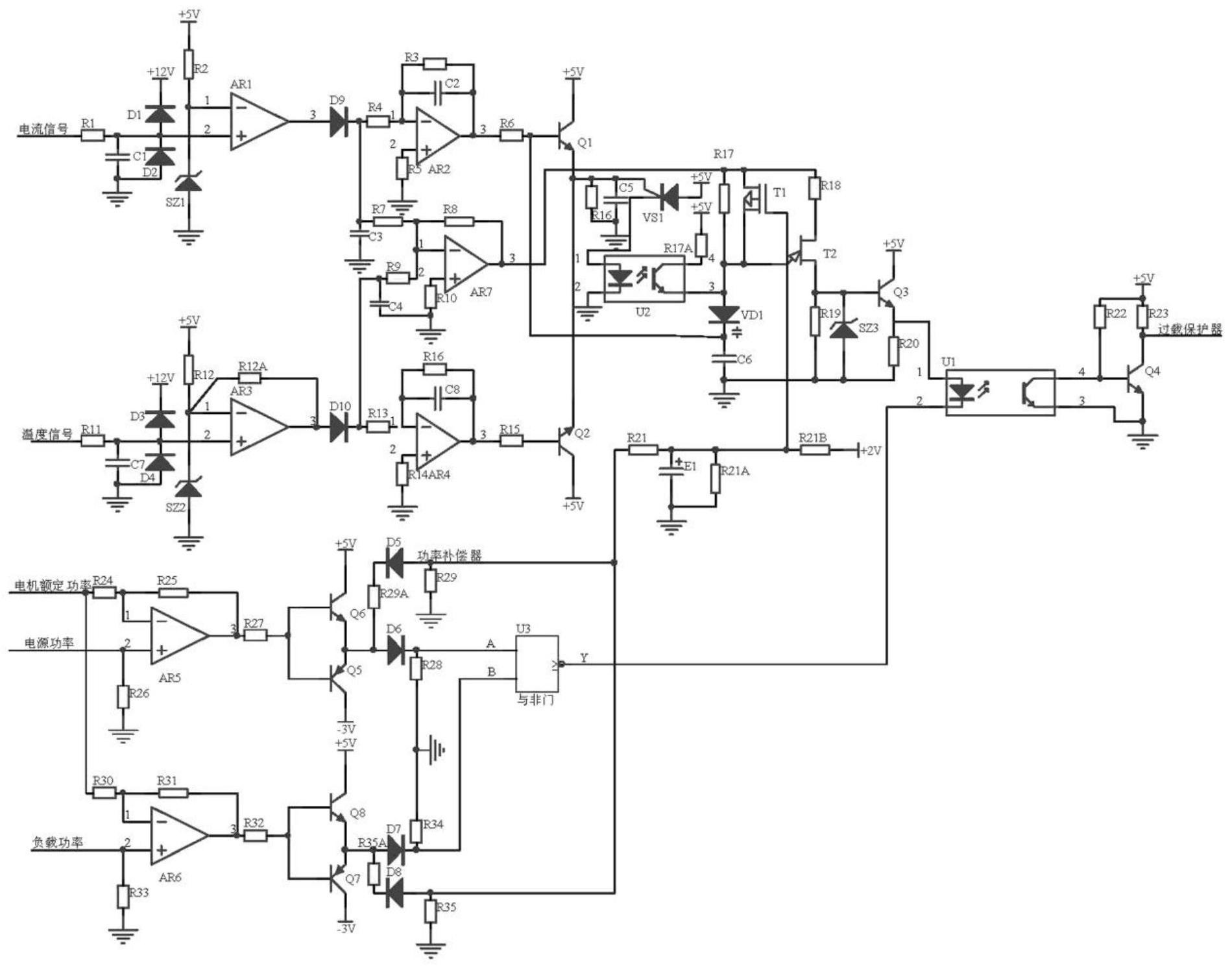
cn112993941a_电机过载保护电路在审
图片尺寸1899x1492
扬声器过载保护器电路
图片尺寸1084x620
5v过载保护电源电路
图片尺寸1017x644
什么是电机过载电机过载保护电路的简介
图片尺寸577x399
电路中的短路保护过载保护零压保护的区分及特点
图片尺寸1080x642
一种蓄电池过载短路自动断电保护电路
图片尺寸1752x1049
一种防止mos管过载的保护电路
图片尺寸1657x694
cn101931204a_过载保护装置及方法失效
图片尺寸1645x1082
电路图解析声光提示过载保护电路
图片尺寸759x418