迈腾b8启动系统电路图

画出迈腾b8起动线路图,并说明起动系统的工作原理
图片尺寸500x572
迈腾b8全车电路图
图片尺寸2016x1508
(a)迈腾车系启动系统电路图(一)
图片尺寸696x499
技能竞赛大众迈腾启动电路图
图片尺寸646x1280
车辆开到店里后查阅迈腾b8的电路图,画出迈腾b8的启动系统电路图,如图
图片尺寸564x433
大众迈腾b8燃油泵控制电路参考电路模型图,及电路检测方法.
图片尺寸1148x1280
大众迈腾b8上电启动电路图 职业技能大赛 故障诊断
图片尺寸646x1280
24 带启动继电器的控制(5)带保护继电器的控制电路带保护继电器的控制
图片尺寸827x543
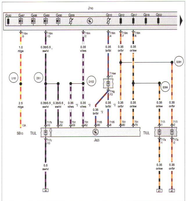
大众迈腾b8l汽车起动系统电路图识读与研究
图片尺寸969x2434
大众迈腾b8轿车发动机无法启动检修
图片尺寸640x691
迈腾b8全车电路图
图片尺寸2016x1508
24 带启动继电器的控制(5)带保护继电器的控制电路带保护继电器的控制
图片尺寸3415x3495
【维修案例】2013款迈腾发动机控制单元故障_搜狐汽车_搜狐网
图片尺寸392x354
大众迈腾8t起动机不工作
图片尺寸920x1301
起动机电路图怎么画
图片尺寸1305x930
迈腾b8l起动机电路控制原理如图1所示.
图片尺寸1937x1605
大众迈腾18t起动机不工作pdf8页
图片尺寸792x1120
大众迈腾b8偶尔无法启动故障检修
图片尺寸640x1024
大众迈腾1.8t起动机不工作
图片尺寸893x477
大众迈腾轿车b8l发动机电控系统故障检修
图片尺寸694x866