连梁图集

连梁交叉筋问题
图片尺寸1338x772
单元连梁
图片尺寸1020x1440
三维看懂连梁拉筋排布?
图片尺寸1014x737
连梁的配筋构造有哪些要求?
图片尺寸370x446![[分享]16g101剪力墙连梁_暗梁_边框梁钢筋手工计算](https://imgs.wantubizhi.com/img/ADDA3C5D760C6828B77B505A29D43E83CE77D8F28890A8ACD101C482AE363D5535F91F6965DF632B13C234F1A38F30A67FA6F699CFEA068688C26C8A43D94EE5F1A5CD36B81F49D5F9835D65C5C681C2C137566294C0C7528627F80E4A16F54F)
[分享]16g101剪力墙连梁_暗梁_边框梁钢筋手工计算
图片尺寸640x928
题36~37:某截面尺寸为300mm×3700mm的剪力墙连梁,如图1-23所示,hb0=
图片尺寸294x257
顶层连梁
图片尺寸1171x806
连梁配筋
图片尺寸403x528
3连梁交叉斜筋配筋构造
图片尺寸910x558
连梁暗撑的布置
图片尺寸948x532
连梁配筋图
图片尺寸1069x601
16g图集中双洞口楼层连梁,中间支座是否布置
图片尺寸458x496
你好老师请问一下这个设缝连梁是什么意思呢那个h202是什么意思呢
图片尺寸412x591
双连梁构造作法
图片尺寸708x390
连梁拉筋的排数怎么确定
图片尺寸323x333
请问一下双连梁应该怎么设置钢筋
图片尺寸714x750
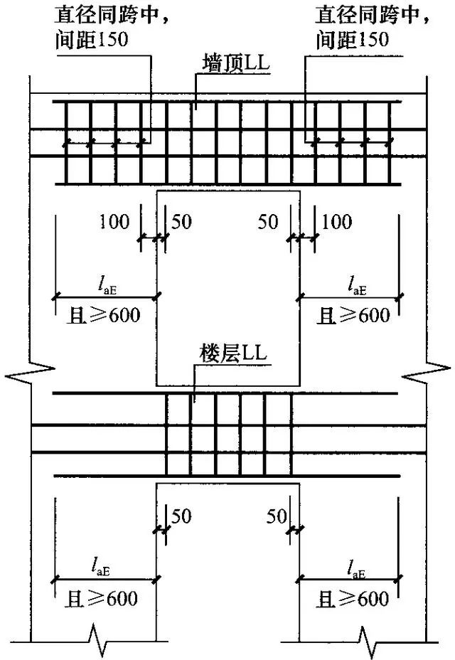
图集只说了连梁上下筋锚固长度连梁的侧面筋锚固长度是maxlae600吗
图片尺寸1104x795
展开全部 连系梁是非框架梁,有端支座的锚固构造,见11g101-1图集.0.
图片尺寸1108x760
此双连梁施工问题
图片尺寸581x608
剪力墙连梁ll配筋构造
图片尺寸1640x1171