针刺机刺针结构图

一种针刺密度均匀的碳纤维制品针刺机
图片尺寸1662x1722
cn201512667u_针刺机的针梁抽出机构失效
图片尺寸2398x1620
上刺;下刺; 一个针刺区; 两个针刺区.
图片尺寸672x680
cn104389112a_双轴针刺机失效
图片尺寸1000x681
针头 构造:针尖,针梗,针栓 型号:4.5 5, 5.5, 6, 6.5 7, 8, 9.
图片尺寸1080x810
一种针刺机的针刺机构的制作方法
图片尺寸789x1000
一种无油式高速针刺机
图片尺寸1912x2652
针刺机结构示意图
图片尺寸600x292
一种针刺机用针刺机构的制作方法
图片尺寸402x455
所有分类 工程科技 纺织/轻工业 非织造---针刺ppt 第一节 针刺机理
图片尺寸1080x810
cn102505358a_一种立体提花针刺机有效
图片尺寸2410x1686
cn100430550c_针刺机传动平衡机构失效
图片尺寸2708x1828
针刺机的针梁导向机构
图片尺寸1715x2213
一种绒毛针刺机
图片尺寸2438x1775
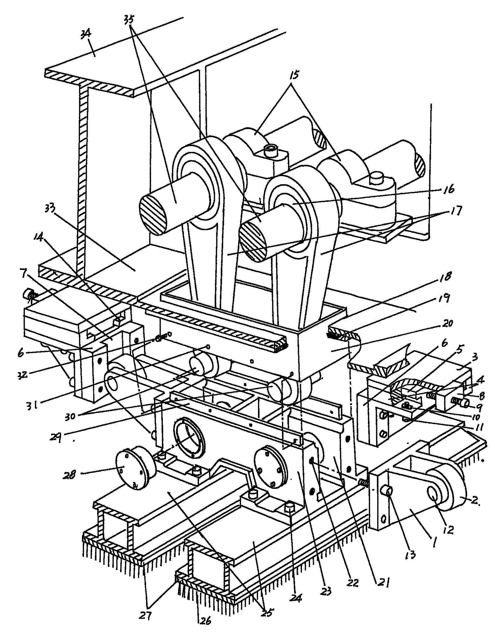
单主轴单针区针刺机的针刺机构制造技术
图片尺寸1000x984
cn100503931c_针刺机的针梁导向机构失效
图片尺寸1750x2177
一种无纺布针刺机的制作方法
图片尺寸1000x985
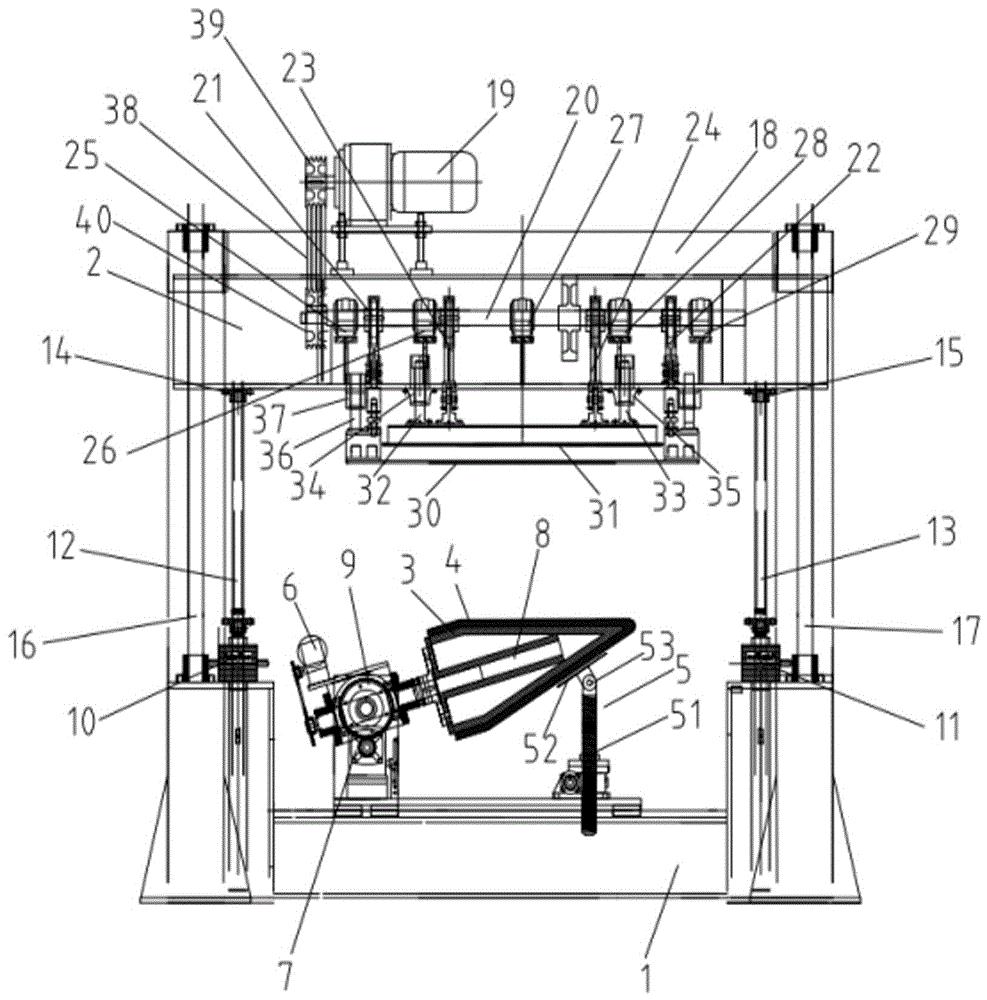
一种导弹壳体专用针刺机
图片尺寸987x1000
机,特别适用于对一定厚度的小型材料的压实,针刺,属于针刺设备结构
图片尺寸608x271
cn102031645b_无端点造纸毛毯针刺机有效
图片尺寸2249x1728