铁素体珠光体
 - 原材料-1000x(铁素体 珠光体).jpg图片尺寸1292x968
 - 原材料-500x(铁素体 珠光体).jpg图片尺寸1292x968
 - 下面两张图,一张是铁素体 珠光体图片尺寸750x562
 - 珠光体 铁素体图片尺寸375x300
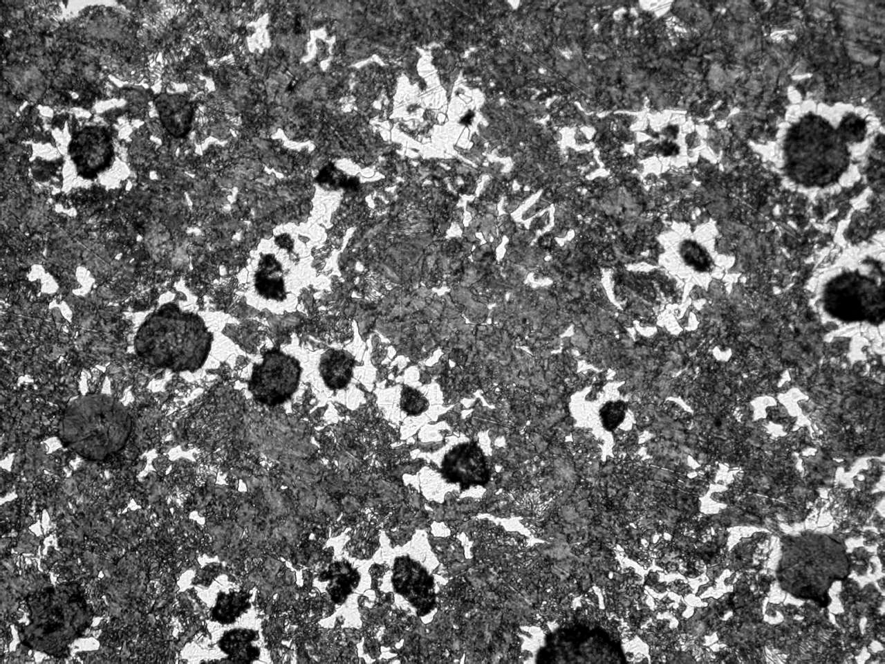
 - 白色网状,针状,块状组织为铁素体,黑色部分为珠光体图片尺寸352x264
 - 加锑球化剂 3-8 5-8 铁素体 珠光体 球化剂 粒 稀土硅镁合金-阿里巴巴图片尺寸800x800
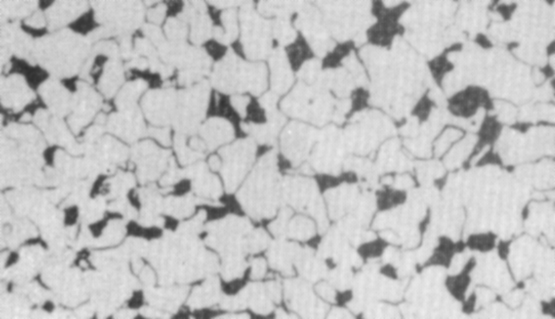
 - 2,2级 珠光体 铁素体,晶粒较均匀.jpg图片尺寸315x248
 - 四,珠光体 珠光体, 索氏体, 屈氏体图片尺寸1080x810
 - 发二张球墨铸铁的珠光体图片图片尺寸1024x768
 - target="_blank" href="/item/铁素体/211356" data-lemmaid="211356"图片尺寸640x480
 -  p>球状珠光体是球状的渗碳体分在铁素体的基体. /p>图片尺寸1280x960
 - 薄板坯连铸连轧铁素体 珠光体类型钢的强化与软化图片尺寸1724x1463
 -  p>球状珠光体是球状的渗碳体分在铁素体的基体. /p>图片尺寸1280x960
 - 铁碳平衡组织分析与布氏硬度测定ppt图片尺寸1080x810
 - 发二张球墨铸铁的珠光体图片图片尺寸1024x768
 - 珠光体 铁素体;3%硝酸酒精浸蚀 35crmo(c0.35%-cr0.9%-mo0.图片尺寸700x494
 - target="_blank" href="/item/铁素体/211356" data-lemmaid="211356"图片尺寸555x319
 - 在光学显微镜下能明显分辨出铁素体和渗碳体层片状组织形态的珠光体图片尺寸1080x432
 - 曲轴用大直径铁素体 珠光体型非调质钢棒材的生产方法与流程图片尺寸1000x377
 - 珠光体(4)珠光体的性能介于铁素体和渗碳体之间,强韧性较好.图片尺寸649x377