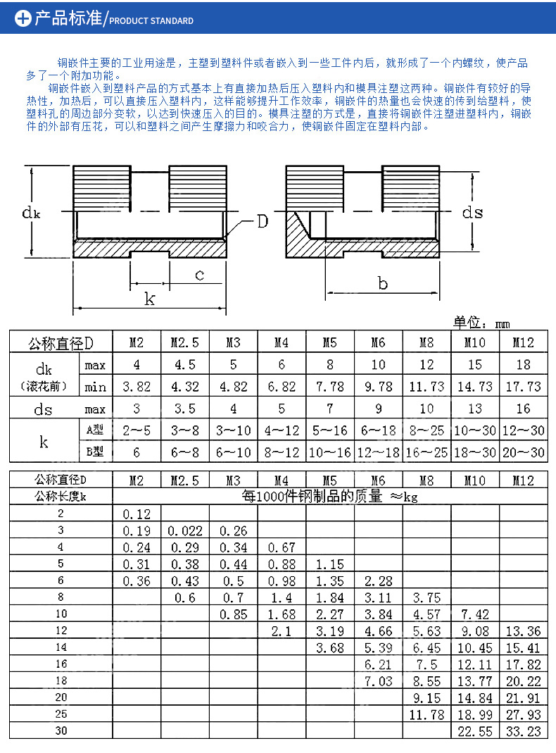
铜螺母规格表

的电子塑胶行业常用的嵌入式铜螺母(点击下面的型号查看图纸规格书)
图片尺寸586x695
铜嵌件注塑铜螺母铜预埋件铜滚花螺母m2m2.5m3m4m5m6m8m10
图片尺寸790x1069
铜螺母规格表
图片尺寸790x660
滚花铜螺母 镶嵌铜螺母 注塑铜螺母 预埋铜螺母厂家
图片尺寸750x750
数控车床加工滚花黄铜螺母 预埋铜嵌件 注塑铜热熔冷压螺母铜螺丝
图片尺寸625x763
国标螺母尺寸规格表
图片尺寸1048x1361
国标螺母尺寸规格表
图片尺寸920x1302
批发螺母,铜螺母,非标铜螺母 六角铜螺母,天线螺母.
图片尺寸942x1330
滚花螺母,铜螺母,花螺母,gb809,嵌入式螺母,压铸螺母
图片尺寸949x830
厂家直销铜花母注塑铜螺母圆筒滚花铜螺母m2m2.5m3m4m5铜螺丝螺帽
图片尺寸750x680
厂家供应非标滚花铜螺母 注塑铜螺母定制 非标塑胶预埋铜嵌件
图片尺寸1241x1766
双通铜花母 圆筒滚花螺母 注塑预埋铜镶嵌件 m4*4-6/m4*12-5
图片尺寸790x534
s全铜六角螺母m1.4m1.6m2m2.5m3m4m5m6m8m10m12m14m16m18m20m22m2
图片尺寸800x800
铜螺母六角螺帽螺丝帽m1.
图片尺寸790x948
厂家销售-圆螺母m30*1.5圆螺母非标-国标圆螺帽-螺峰紧固件
图片尺寸1739x1920
din508t型螺母 t型槽螺母 t型焊接螺母
图片尺寸521x717
注塑铜花螺母gb809-h59 镶嵌件滚花螺母a型 通孔 b型 盲孔预埋件
图片尺寸800x898
5 m3 m4 m5 m6 m8 标准编号 gb6170-86 类别 滚花螺母 产品规格 m2*3*
图片尺寸680x756
笔记本铜螺母 注塑铜螺母铜镶嵌件 每一种产品均有不同的规格,不同
图片尺寸753x1157
q 801 卡套式管接头用螺母 bite type tube fittings--nuts
图片尺寸448x600