铰接点

铰接点
图片尺寸516x442
第五章抽象化处理
图片尺寸1087x678
知识点桥梁的铰接位置
图片尺寸500x375
建筑中铰接是什么意思?
图片尺寸546x448
课结构力学ppt 计算简图与实际结构的偏差 并非铰接(结点有较大刚性)
图片尺寸1080x810![[分享]全方位解读钢结构的铰接连接](https://imgs.wantubizhi.com/img/A1A61BAA66193547F3A6DD7D8EE527E90441E440EBD33819BD53F0E53760F4A820DD6F1B108D04C95117B122FF37E547BCC7D37F5FF088DB715202D62D8C2B03DB0DA84A2255F4FD7ACE1EF9C8C80433C01C438803D64B2C1BF8A4419D25549A)
[分享]全方位解读钢结构的铰接连接
图片尺寸981x520![[分享]全方位解读钢结构的铰接连接](https://imgs.wantubizhi.com/img/A1A61BAA66193547F3A6DD7D8EE527E9350998A081B0564AE332378E3361F22E2AA89D543765623C04ED763D54A94538A441AB44CFE07CAE3AB40DC774B62B6CD791011610FC3813673662049C2A35ED9F7355F8AE9F7168B31CC8968E930444)
[分享]全方位解读钢结构的铰接连接
图片尺寸1080x811
1-13如图1-45所示结构,b,e,c处均为铰接.
图片尺寸1080x810![[分享]全方位解读钢结构的铰接连接](https://imgs.wantubizhi.com/img/735A5D1F980B52A636CC46F12F2D1A733AD5D705F377B85536BFFD4BC5505FFC6F5CEDD8A098D4949504DF8A51C29CC5C0D4F3A2DA6DBDBABDE1BFB4578C5A37E5DBCB318DF10597172E4F6A522B66D84AD4D8B662DBE393BEBB6DCB9084E227)
[分享]全方位解读钢结构的铰接连接
图片尺寸820x618
技术解读 | 木结构节点的刚接与铰接设计 - 预制建筑网:装配式建筑
图片尺寸672x530
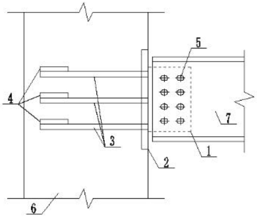
一种h型钢梁与混凝土柱铰接连接节点
图片尺寸1082x912
20190131abaqus学习笔记一钢结构高强螺栓铰接节点
图片尺寸646x548
方向上,二者合成的效应:一是墙体的 x 型破裂,二是结构铰接点的断裂
图片尺寸1080x418
cd确定了 固定铰接点确实也是这么分析 可答案是这样 .
图片尺寸413x406
第31讲 梁间铰接缝施工ppt
图片尺寸1080x810
结构连接的节点一级建造师
图片尺寸800x600
力作用在梁的铰接点弯矩图怎么画?并说明理由.如图.
图片尺寸375x500
第五章抽象化处理
图片尺寸843x621
一种附加抗侧连梁的震后可恢复功能单向铰接柱脚节点的制作方法
图片尺寸539x1000
zl30c型装载机工作装置铰接点的销轴防转结构如图1所示.
图片尺寸360x388