长江f16一4电源电路图

长江f16-4电影放映机及其电源系统的改造与代用
图片尺寸1024x680
求长城电源电路图?
图片尺寸1748x1310
长江f16-4电影放映机及其电源系统的改造与代用
图片尺寸1024x717
长城电脑电源电路图
图片尺寸1818x1066
长江f16-4型电影放映机说明书
图片尺寸1200x1577
416v40a输出大功率开关电源电路设计
图片尺寸690x570
长城btx400sd蛋疼的主动pfc电源求助
图片尺寸1019x836
24v146a开关电源的电路图免费下载
图片尺寸1470x934
atx-300p4电源电路图.jpg
图片尺寸1748x1310
长城atx300p4pfc电源特殊故障
图片尺寸1748x1310
长江f16-4型电影放映机说明书
图片尺寸1799x1112
这是494电源电路图,可以参考一下.
图片尺寸1086x699
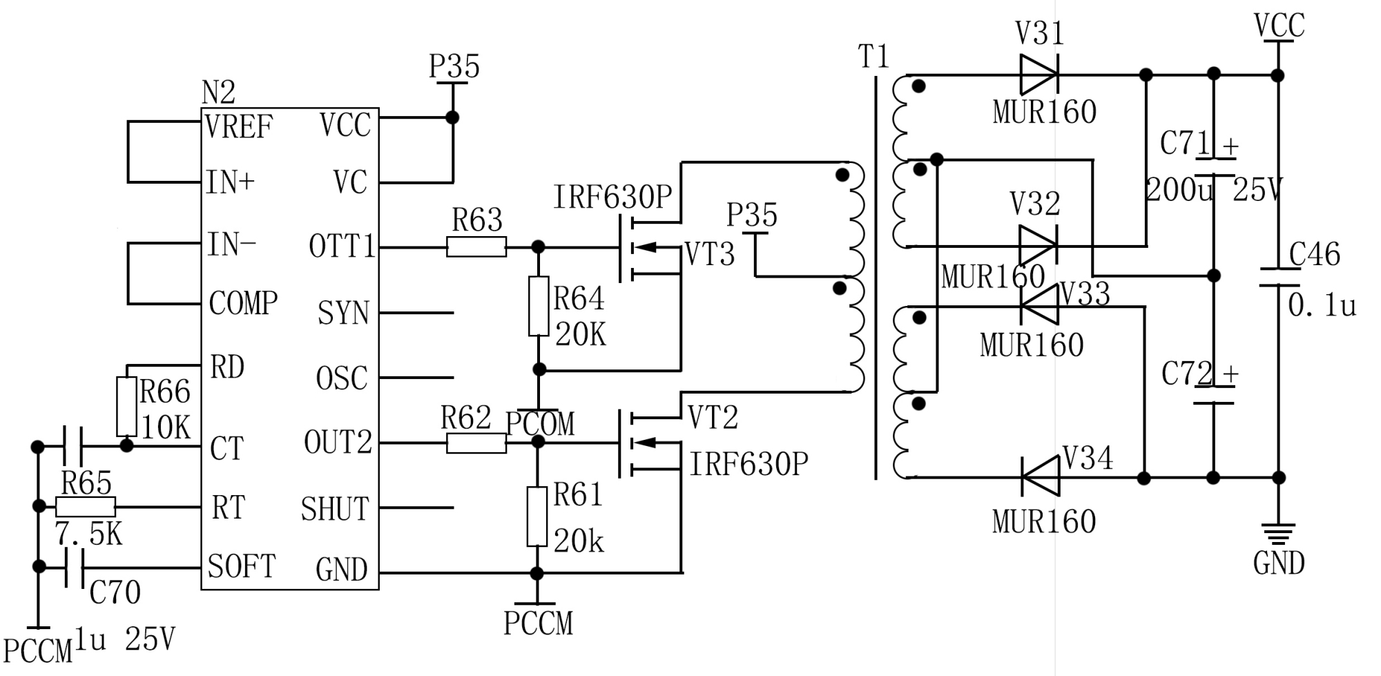
二级电源电路图(次级输出的其中一路)
图片尺寸2000x979
5v40a开关电源电路图
图片尺寸2744x1950
求助长江f16-4a电影机放映电源电路图
图片尺寸1030x772
长城电源350p4电路图
图片尺寸3524x2521
文档网 所有分类 工程科技 电子/电路 mc34063在嵌入式电源设计中的
图片尺寸1017x1085
老五四长江fl-16型电影放映机图解
图片尺寸1277x958
电源工程师设计攻略:电路图锦集
图片尺寸583x349
p1014开关电源.jpg
图片尺寸400x361