间接接触

pc正版中文steam游戏104间接接触indirectcontactsteam
图片尺寸800x800
pc正版中文 steam游戏 10-4:间接接触 indirect contact 国区礼物
图片尺寸800x800
2.间接接触传播. 密切接触者更容易感染,什么是密切接触者?
图片尺寸962x1314
67接触传播主要是通过身体,手与新冠患者直接接触,或者间接接触新冠
图片尺寸640x425
名词解释:直接接触电击与间接接触电击,这两个术语设计经常用到
图片尺寸640x330
cn108102915a_一种可工程化放大的间接接触共培养体系在审
图片尺寸1729x901
间接接触触电
图片尺寸1250x672
间接接触电击防护课件_8.ppt
图片尺寸1200x900
间接接触电击防护ppt
图片尺寸1080x810
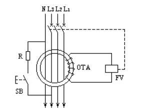
tn 系统的间接接触防护
图片尺寸760x517
直接强化与间接强化直接强化是谁提出的2022已更新今日推荐
图片尺寸474x222
科技名词 | 什么是接触传播?_间接
图片尺寸1080x557
防止间接接触的保护
图片尺寸760x530
专题3 间接接触电击防护ppt
图片尺寸1080x810
家庭电路触电事故都是人体直接或间接接触
图片尺寸528x193
间接接触电击防护措施
图片尺寸400x300
看到这里,聪明的小伙伴们多半心里有数了,间接接触传播通路得以实现的
图片尺寸1000x1155
下篇间接接触电击防护ppt课件.ppt
图片尺寸1152x864
电击分为直接接触电击和间接接触电击.
图片尺寸519x203
间接接触触电的主要保护措施是在配电装置中设置题目和答案-12职教网
图片尺寸288x222