风冷热泵机组系统图

机组系统流程图:风冷水机组是一种提供冷冻水的制冷设备,适用于中央
图片尺寸800x513
风冷热泵机组系统流程图
图片尺寸708x595
模块式风冷热泵机组技术参数表
图片尺寸900x490
暖通空调制冷换热系统是由风冷热泵机组,室内空调末端及空调水管及
图片尺寸640x396
风冷热泵风冷热泵机组风冷源热泵系统解决方案及工作原理
图片尺寸1000x383
安装模块式风冷热泵机组中央空调的优势
图片尺寸800x507
风冷热泵冷水机组的工作原理详解
图片尺寸616x431
模块式风冷热泵机组水流量控制技术
图片尺寸638x324
冰河制冷模块风冷式热泵机组(三用机)图片_2
图片尺寸700x478
美的水冷螺杆全热回收机组,美的烈焰风冷热泵机组,美的烈焰空气源热泵
图片尺寸921x523
空气源热泵(风冷热泵)供冷供热系统分析
图片尺寸640x443
风冷式冷水机
图片尺寸985x655![[分享]风冷热泵冷水机组机房原理资料下载](https://imgs.wantubizhi.com/img/A1A61BAA66193547F3A6DD7D8EE527E92932E9CE286239D5B294A02971E36112FA127563A1BCBBE2667395994799BC997E7477B9A548DEC0C1F8BEDAD986848D2EF97D92A4D6270A4F14360AE76F32EF46972EABC3ADDE35DE23B07D0A6187C7)
[分享]风冷热泵冷水机组机房原理资料下载
图片尺寸760x418
风冷模块机组系统原理【相关词_ 风冷热泵模块机组原理】
图片尺寸500x362
麦克维尔中央空调mac风冷热泵机组图解维修及实例剖析上
图片尺寸2436x1225
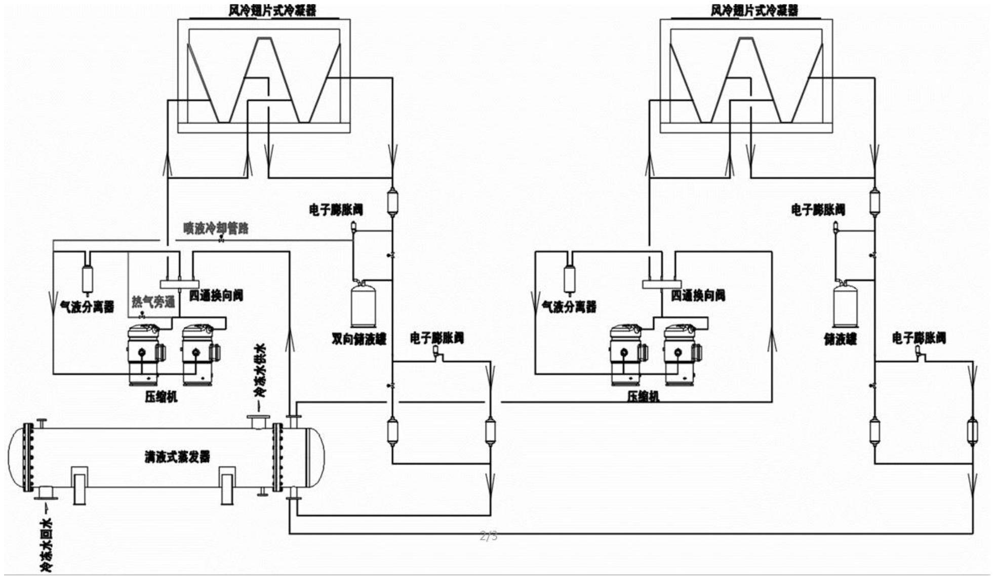
一种适用于单台空气源热泵机组冷热调节系统
图片尺寸1965x1145
模块式风冷热泵机组水流量控制技术
图片尺寸642x329
公共建筑风冷热泵空调系统运行调试及能耗分析
图片尺寸918x417
活塞式风冷热泵型冷热水机组
图片尺寸600x575
1,风冷热泵机组 辅助电加热器
图片尺寸1080x810