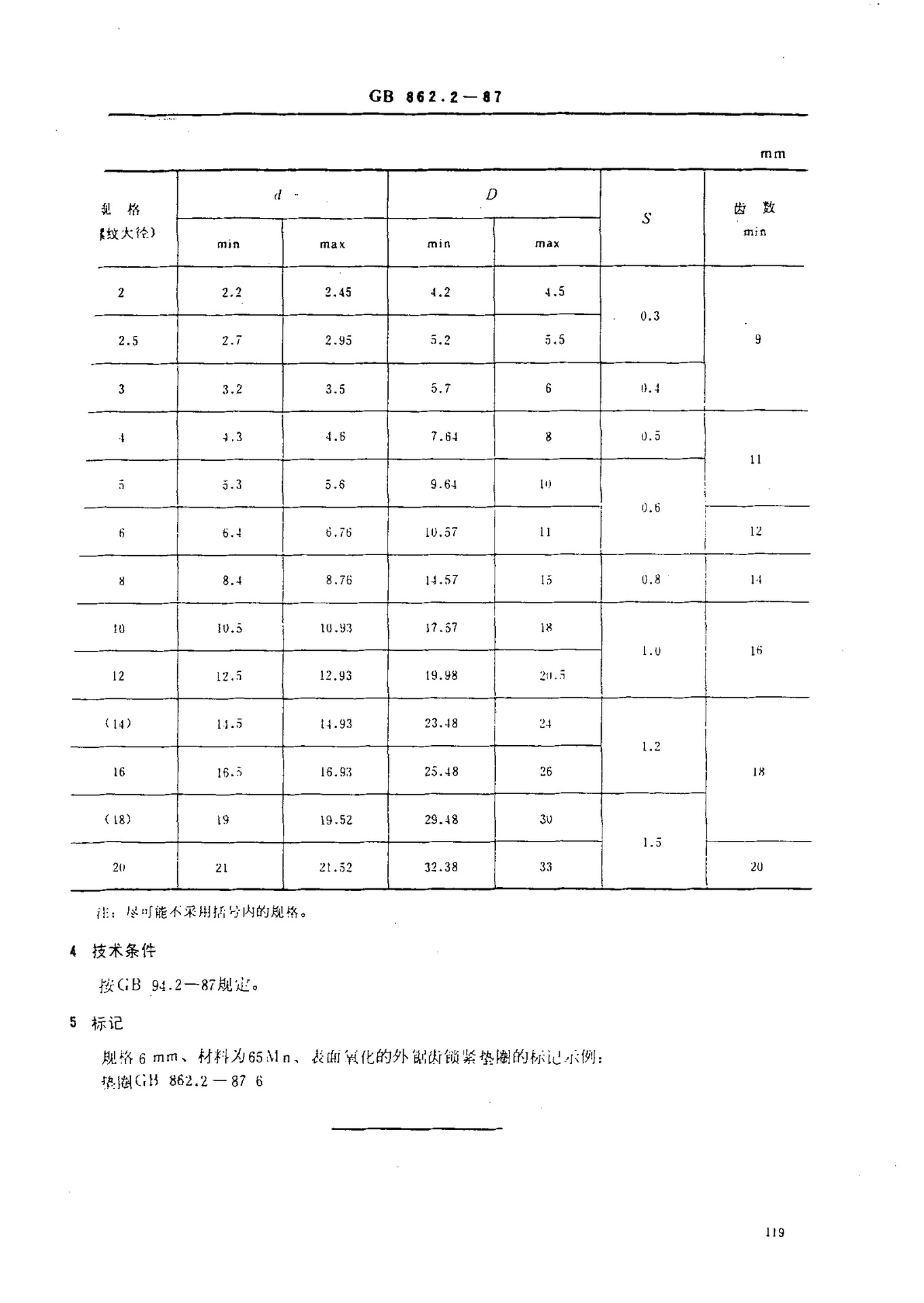
齿形垫片标准

aw-7-3w | 附齿垫圈 内齿形 | ochiai(落合) | misumi【台湾三住】
图片尺寸1717x1528
p>《管法兰用金属齿形组合垫片—第2部分:class 系列》(gb/t 39245.
图片尺寸2480x3508
p>《管法兰用金属齿形组合垫片—第2部分:class 系列》(gb/t 39245.
图片尺寸2480x3508
304锁紧垫片 不锈钢防松垫圈双面齿蝶形防滑垫m3-m36 din9250(包)
图片尺寸800x1094
厂家直销 din6798a 高碳钢外锯齿锁紧垫圈 齿形垫片 防滑内外齿
图片尺寸1362x1920
304不锈钢锁紧垫片 防松垫圈双面齿垫din9250蝶形防滑垫片m3-m20
图片尺寸757x546
304不锈钢平垫片加大加厚介子垫片金属螺丝垫圈m3m4m5m6m8m10m36
图片尺寸790x1350
gb5287 304不锈钢特大平垫圈 加大加厚金属圆形垫片m5-m24
图片尺寸750x882
齿形垫片梅花形卡簧平垫pvc塑料透明垫圈m2-m10皇冠螺丝用绝缘片
图片尺寸800x800
镀锌平垫片 不锈钢垫圈 不锈钢平垫 304/201不锈钢金属挡圈 垫片
图片尺寸750x1123
m6 m8 m10 titanium plain flat round gasket washers din 125
图片尺寸750x454
压管道法兰不锈钢金属齿形垫片四氟石墨波齿复合垫圈 dn10 304g 18*46
图片尺寸800x800
jp/t7590波形垫圈弹性垫圈三波峰垫圈波型垫片波浪垫圈 3mm-200mm
图片尺寸790x1391
开口垫圈(gb/t 851-1988)-宁波中紧五金有限公司
图片尺寸670x459
白山ochiai弯曲垫片(mb)
图片尺寸2000x1308
p>《管法兰用金属齿形组合垫片—第2部分:class 系列》(gb/t 39245.
图片尺寸2480x3508
标准查询
图片尺寸600x576
304不锈钢 品牌 上正 货号 din848 型号 din848 类别 平垫圈 标准类型
图片尺寸790x886
din6796碟形弹簧垫圈
图片尺寸893x468
山东齿形金属垫片定制金属齿形垫
图片尺寸2328x1746