齿轮顶隙

直齿圆柱齿轮基本参数ppt
图片尺寸1080x810
标准直齿圆柱齿轮几何尺寸计算ppt
图片尺寸1080x810
关于齿轮知识由浅及深讲解透彻推荐收藏
图片尺寸552x260
识读齿轮零件图ppt
图片尺寸1080x810
用标准齿条型刀具加工标准齿轮 1.
图片尺寸1080x810
罗茨风机故障处理这些经验少不了
图片尺寸271x184
其他齿轮传动 07其它齿轮传动 (公开课专用)ppt
图片尺寸1090x817
齿轮正确啮合和条件
图片尺寸1080x810
轮齿的侧隙是指装配好的齿轮副当一个齿轮固定时另一个齿轮的圆周晃动
图片尺寸455x401
渐开线标准直齿圆柱齿轮参数ppt
图片尺寸1080x810
齿轮啮合ppt课件
图片尺寸800x600
标准齿轮参数定义及计算公式-正齿轮/斜齿轮
图片尺寸488x480
渐开线齿轮的基本参数
图片尺寸470x213
顶隙计算公式齿轮参数计算公式这次终于整全了
图片尺寸531x580
齿轮参数计算公式这次终于整全了
图片尺寸933x560
齿轮的基本知识ppt
图片尺寸1080x810
机械制图__齿轮及键的画法
图片尺寸1080x810
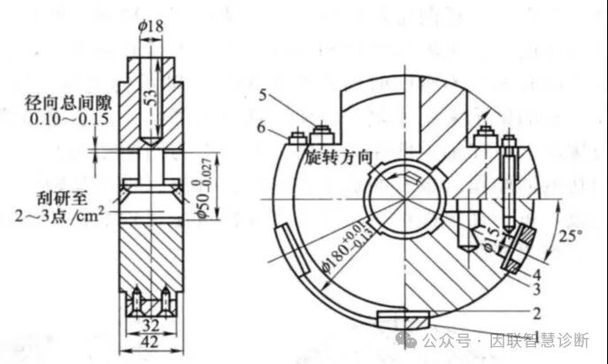
离心式压缩机的滑动轴承介绍
图片尺寸687x412
齿轮模数是什么意思齿轮参数计算公式大全
图片尺寸695x553
齿轮齿间隙公差设计
图片尺寸475x450