龙工铲车电路图纸

看懂并能调试这个电路图的电工师傅,工资不低于8000块!
图片尺寸1052x711
电瓶铲车电路
图片尺寸700x422
装载机液压系统原理图分析方法
图片尺寸525x288
商标logo
图片尺寸1914x1514
蓄电池铲车电气控制电路
图片尺寸578x365
电瓶铲车控制电路
图片尺寸500x339
zd1型it蓄电池铲车控制电路
图片尺寸706x485
工程机械-装载机
图片尺寸625x500
cpd型it蓄电池铲车控制电路
图片尺寸1116x651
装载机工作液压系统的制作方法
图片尺寸722x1000
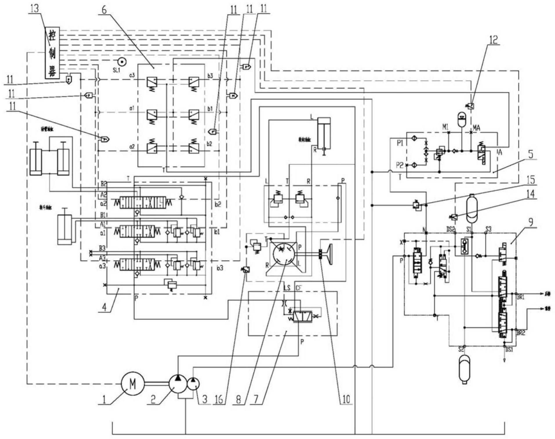
一种装载机泵控混合动力液压系统及其控制方法
图片尺寸1893x1382
装载机液压系统技术方案
图片尺寸665x1000
装载机照明系统都有哪些常见故障,如何检修排除
图片尺寸640x456
图片尺寸1440x2286
我们先来了解驻车制动器控制电路图
图片尺寸640x464
cy-6型铲运机及其恒压式液压系统
图片尺寸1024x1348
文档
图片尺寸1251x884
一种电动装载机液压系统及电动装载机的制作方法
图片尺寸1554x1321
无忧文档 所有分类 工程科技 电子/电路 重汽howo a7原理图
图片尺寸2520x1782
一种微型节能柴油四驱装载机
图片尺寸1921x1718