龙门吊电气控制电路图

工程门式起重机电气控制系统
图片尺寸2966x1896
桥式吊钩起重机电气控制
图片尺寸1426x2200
求龙门吊或门式起重机100t以下,大车小车的控制电路图.
图片尺寸799x629
这是40吨龙门吊的电路图,帮我解释一下
图片尺寸624x832
龙门吊电气控制接线图龙门吊电气控制原理图2022已更新今日图集
图片尺寸474x379
桥式吊钩起重机电气控制
图片尺寸1476x1488
造船用门式起重机电气图.pdf
图片尺寸1357x959
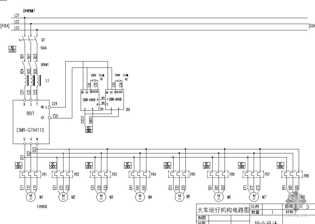
门式起重机电气系统设计
图片尺寸1007x717
龙门吊技术到底难不难?
图片尺寸1080x810
32吨电气原理图
图片尺寸920x651
龙门吊电气控制接线图龙门吊电气控制原理图2022已更新今日图集
图片尺寸474x341
20 全部评论 大家都在搜: 单双梁行车天车龙门吊葫芦起重机电机减速机
图片尺寸864x1920
龙门吊电葫芦上下左右控制电路行程保护电工一看就懂
图片尺寸640x403
一种燃料电池驱动的龙门吊电路系统及控制方法
图片尺寸1711x747
t龙门吊 电路图纸(自行设计) 2009-09-06 11:54:50| 分类: 电气图纸
图片尺寸600x364
ld单梁门式起重机电气电路图资料免费下载-电子电路图,电子技术资料
图片尺寸752x405
桥式起重机电气原理图
图片尺寸776x1200
电器图.
图片尺寸1007x700
吨吊车电路图纸
图片尺寸920x1302
内容包括:plc输入电路图,plc输出控制电路图,电气系统图等.
图片尺寸880x880