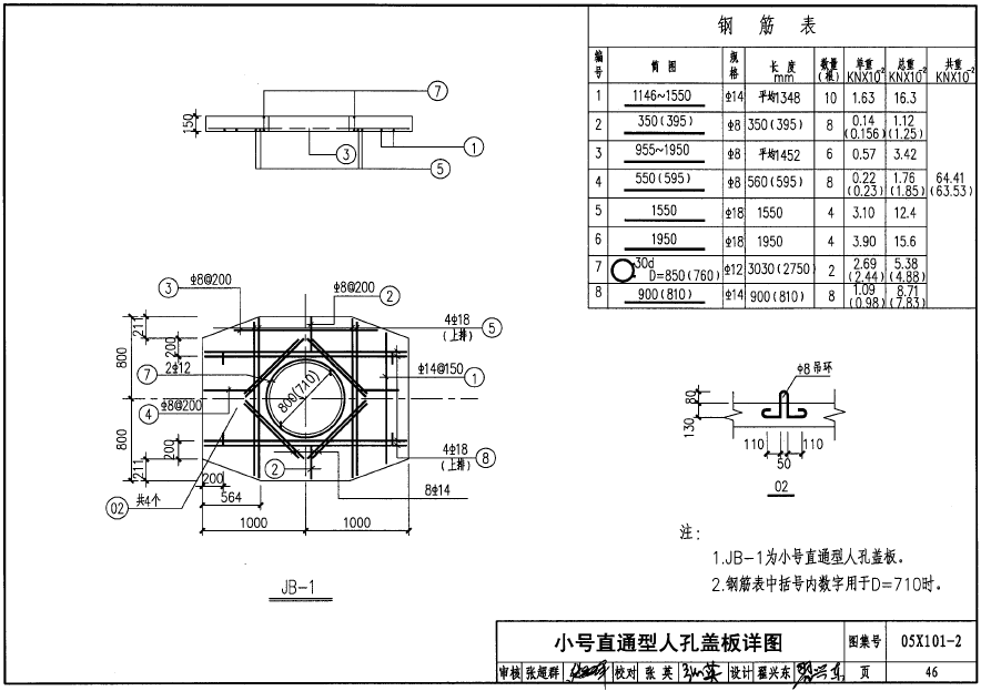
05x101 2图集

05x101-2图集39页怎么套定额
图片尺寸929x655
05x1012图集免费下载|05x101-2地下通信线缆敷设标准图集pdf格式免费
图片尺寸938x659
05x101-2图集45页怎么套定额
图片尺寸927x647
05x101-2_地下通信线缆敷设_电气弱电图集
图片尺寸2877x2025
05x1012图集免费下载|05x101-2地下通信线缆敷设标准图集pdf格式免费
图片尺寸938x657
图集05x101-2第10页
图片尺寸2873x2037
05x101 2图集免费下载-05x101-2地下通信线缆敷设标准图集下载pdf高清
图片尺寸710x500
05x1012 地下通信线缆敷设.pdf 77页
图片尺寸1939x1370
05x1012图集免费下载
图片尺寸705x499
05x1012 地下通信线缆敷设.pdf 77页
图片尺寸1939x1375
05x1012 地下通信线缆敷设.pdf 77页
图片尺寸1939x1378
求05x101-2图集急求?谢谢
图片尺寸807x564
官方正版 国标图集标准图05x101-2地下通信线缆敷设(替94x101-2)正版
图片尺寸500x500
05x1012 地下通信线缆敷设.pdf 77页
图片尺寸1947x1372
05x101-2地下通信线缆敷设 自营
图片尺寸800x800
05x101-2 地下通信线缆敷设
图片尺寸700x518
(05x101-2)地下通信线缆安装图集
图片尺寸884x623
(05x101-2)地下通信线缆安装图集
图片尺寸891x626
(05x101-2)地下通信线缆安装图集
图片尺寸889x622
(05x101-2)地下通信线缆安装图集
图片尺寸889x623