10kv故障指示器原理图

10kv带电显示器的工作原理是什么?民熔:小白必看!建议收藏!
图片尺寸1120x864
感应式高压带电显示装置系统原理
图片尺寸640x416
氧化锌避雷器测试仪 > 10kv线路故障指示器■ 动作原理 短路检测原理
图片尺寸609x279
一种配电网录波故障指示器
图片尺寸1526x1869
电力故障指示器原理图 - mdzmdz - mdzmdz的博客
图片尺寸1661x585
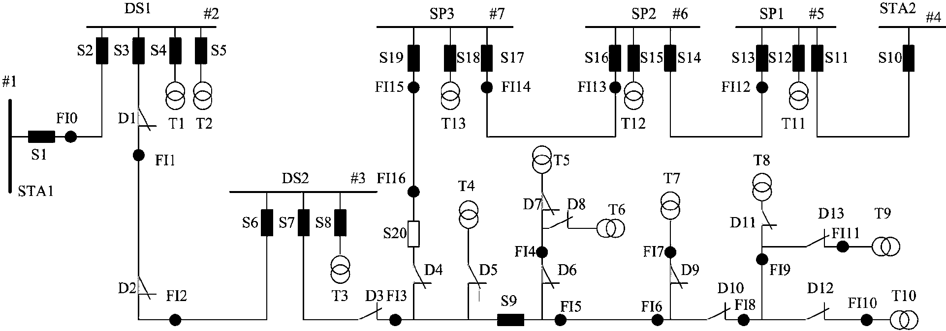
变电站二次回路图0410kv控制回路
图片尺寸975x589
10kv真空断路器耐压仪中试大厂
图片尺寸670x917
基于故障指示器的10kv系统单相接地故障选线及快速排查试验
图片尺寸425x270
基于最大概率的故障指示器故障判定方法
图片尺寸1922x674
硅钢片(环氧树脂包封(scb),非包封(sgb))1,干式变压器12,10kv配电室内
图片尺寸660x449
cn102364355a_一种架空线型故障指示器性能的试验装置失效
图片尺寸1692x1277
塔北变电站10kv线路保护越级跳闸故障原因及解决措施
图片尺寸1080x679
电弧光保护在发电厂10kv厂用电系统中的应用_母线_故障_中压
图片尺寸748x512
10kv高压柜电气控制原理图设计汇总
图片尺寸858x608
中图牌 dxn-q 带电显示器 户内高压带电显示器 感应式带电显示器
图片尺寸800x1218
10kv配电室在线监控改造技术方案
图片尺寸640x561
电弧光保护在发电厂10kv厂用电系统中的应用_母线_故障_中压
图片尺寸632x327
>> 文章内容 >> 10kv开关合闸故障分析及改进 10kv断路器开断电流等级
图片尺寸616x443
10kv配电线路单相接地故障有哪些应该如何解决
图片尺寸1101x642
首页 最新供应 电工电气 高压电器 故障指示器 架空翻牌型二合一wkd
图片尺寸976x359