12s522排水检查井22页

市政道路中12s522雨水检查井
图片尺寸1601x874
对05ss522《混凝土模块式排水检查井》进行修编
图片尺寸1418x992
展开全部 12s522 混凝土模块式排水检查井,29和30页 向左转| 向右转
图片尺寸3115x2187
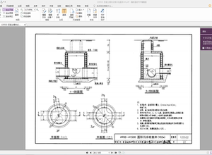
12s522 混凝土模块式排水检查井 排水检查井
图片尺寸800x800
附图12s522混凝土模块式排水检查井
图片尺寸920x651
12s522混凝土模块式检查井
图片尺寸750x522
12s522混凝土模块式排水检查井
图片尺寸1418x992
广州钢筋混凝土检查井的不同图集尺寸|井壁|盖板|井筒_网易订阅
图片尺寸660x465
对05ss522《混凝土模块式排水检查井》进行修编
图片尺寸1418x989
12s522 混凝土模块式排水检查井(替代05ss522)
图片尺寸800x1018
阅读-12s522:混凝土模块式排水检查井
图片尺寸2048x1458
【正版】12s522混凝土模块式排水检查井(替代05ss522)
图片尺寸800x800
12s522 混凝土模块式排水检查井图集pdf格式电子版
图片尺寸300x220
混凝土模块式沉泥检查井
图片尺寸750x750
202(03)s515排水检查井(2003年局部修改版) 304s516混凝土排水管道
图片尺寸700x504
定型圆形雨水检查井
图片尺寸560x418
云南检查井批发_成品检查井相关-云南厦宝科技有限公司
图片尺寸320x291
对05ss522《混凝土模块式排水检查井》进行修编
图片尺寸1416x990
12s522 混凝土模块式排水检查井——给水排水专业
图片尺寸500x500
市政道路中12s522雨水检查井
图片尺寸1601x874