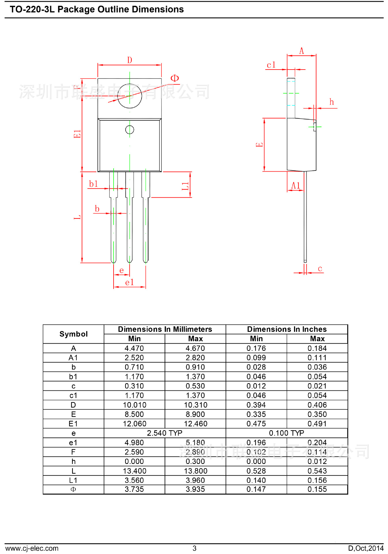
13007管脚图参数

【强势供应】原装正品13007 to-220/f npn型功率三极管
图片尺寸1636x1920
龙晶微半导体直销三极管供应龙晶微三极管13007
图片尺寸691x1024
节能灯,镇流器专用三极管13007(3.10芯片,to-220)slt
图片尺寸600x478
求文档: 三极管 d13007e
图片尺寸2480x3509
两个13007 正常工作时各脚电压分别是多少?
图片尺寸981x784
两个13007 正常工作时各脚电压分别是多少?
图片尺寸666x478
ksh13007 参数 datasheet pdf下载
图片尺寸600x776
现货热销3dd13007 开关管 to-220直插三极管 13007三极管 长电
图片尺寸1346x1920
不知道好的时候万用表量起来怎么样的,找了两个13007不考虑功率能换吗
图片尺寸289x377
sp 晶体三级管 e13007
图片尺寸568x636
开关三极管13007的规格参数引脚图开关电源电路图三极管13007可以用
图片尺寸1095x451
单票 票 票据 886_13007 竖版 竖屏
图片尺寸886x13007
> mje13007 (意法半导体) silicon npn switching transistor(硅npn
图片尺寸793x1123
开关三极管13007的规格参数引脚图开关电源电路图三极管13007可以用
图片尺寸613x636
夏季男士紧密纯棉薄款睡衣短袖短裤夏天男青年韩版休闲
图片尺寸790x1170
开关三极管电路分类及应用
图片尺寸545x300
13007开关管驱动设计
图片尺寸600x250
13007d三极管管脚图
图片尺寸296x253
苹果正针对欧盟dma开发换机方案帮用户轻松转移数据至安卓手机晚报
图片尺寸554x124
供应e13007-2三极管mje13007 e13007-2 e13007 to-220 电脑开关电源
图片尺寸594x775