15款迈腾保险丝图解

求助新迈腾保险丝示意图
图片尺寸700x466
【图】b7l保险sc取电问题,求各位大侠指教_3_迈腾论坛_爱卡汽车
图片尺寸760x343
大众迈腾b8 保险盒详解定义
图片尺寸560x5475
【保险盒】大众部分车型保险盒取电示意
图片尺寸490x614
迈腾b7lacc保险丝在哪
图片尺寸1135x776
迈腾保险盒图解大众迈腾点烟器保险丝,迈腾保险丝在哪里 大众新迈腾
图片尺寸700x525
请教,有老师知道前大灯的保险丝是哪一个吗?
图片尺寸697x749
求助新迈腾保险丝示意图
图片尺寸700x318
车内保险丝定义示意图
图片尺寸640x853
大众迈腾汽车保险丝与继电器位置
图片尺寸670x456
大众帕萨特捷达vs5vs7va3威然宝来id.
图片尺寸1080x799
diy之行车记录仪保险取电安装:君威 迈腾 朗动 风神四车型合集
图片尺寸700x419
求助:新迈腾保险丝示意图
图片尺寸400x230
哪位大神有迈腾发动机舱保险盒的图解?
图片尺寸650x420
13迈腾保险盒图解高清 迈腾保险盒图解
图片尺寸700x267
求助新迈腾保险丝示意图
图片尺寸700x372
汽修帮手资料库更新合集——上汽大众车系
图片尺寸1361x1200
上海大众各车型保险丝继电器位置对照表
图片尺寸729x558
保险盒大众部分车型保险盒取电示意迈特威2020款途观
图片尺寸327x444
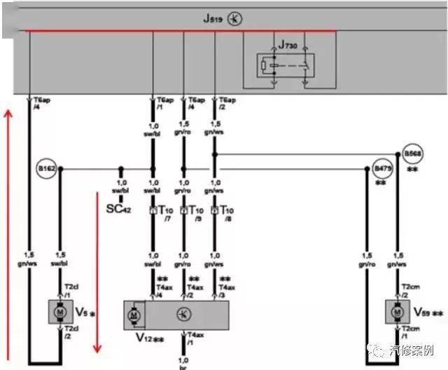
本着从简单到复杂的原则,用万用表测试j519 t6ap/4脚---sc42保险丝的
图片尺寸640x528