2D图

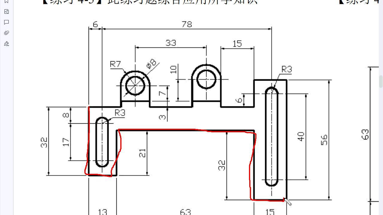
cad基础绘图,cad2d平面图制作方法,圆相与矩形的绘制方法cad4-5
图片尺寸1280x720
单级一级圆柱齿轮减速器设计2d图机械cad素材
图片尺寸1627x947
步进梁式再加热炉设计2d图机械cad素材
图片尺寸1648x1001
喷墨打印机盒盖注塑模具设计2d图机械cad素材
图片尺寸1175x638
塑料壳体注塑模具图2d
图片尺寸524x707
小型电动绞肉机的设计2d图机械cad素材
图片尺寸1090x791
螺纹套管密封试压装置设计2d图机械cad素材
图片尺寸1503x836
玩具旋钮模具2d结构设计图
图片尺寸522x412
某自备电厂100mw机组全面性热力系统的设计2d图机械cad素材
图片尺寸1395x746
快速生成室内设计2d平面效果图的ps动作
图片尺寸900x600
2d全部图档
图片尺寸820x580
小型混凝土搅拌机的设计2d图机械cad素材
图片尺寸1478x946
2d图
图片尺寸820x459
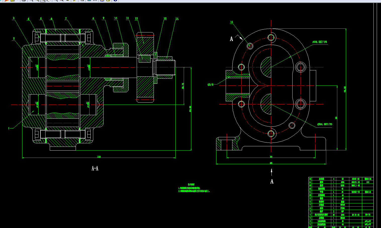
齿轮泵设计与建模仿真设计2d图机械cad素材
图片尺寸1516x907
双轴搅拌机的机械设计2d图机械cad素材
图片尺寸1471x830
汽车制动系设计2d图机械cad素材
图片尺寸1043x744
175型柴油机缸体组合机床钻孔夹具设计2d图机械cad素材
图片尺寸1339x866
垂直式垃圾压缩装置总体设计2d图机械cad素材
图片尺寸1047x589
液压试验台设计2d图机械cad素材
图片尺寸1072x782
采煤机的行走部分设计2d图机械cad素材
图片尺寸1179x839