555定时器电路图原理

555定时器 /b>是一种 a href="#" data-lemmaid="4872662">集成电路
图片尺寸1112x740
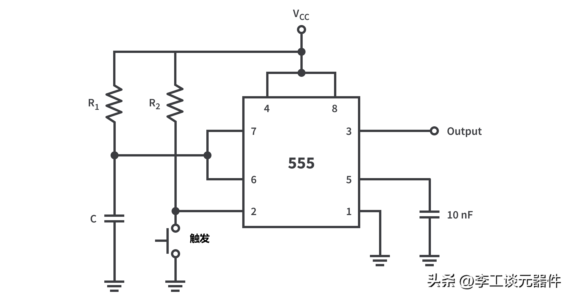
用555定时器构成多谐振荡器的电路
图片尺寸500x781
常用ic(1)555定时器
图片尺寸1920x1080
用555定时器做时钟电路附原理图和公式
图片尺寸2189x1109
555定时器电路简析及其工程应用
图片尺寸999x841
1min延时电路图 555定时器的 简单易懂的
图片尺寸314x351
ne555定时器电路图,ne555定时器电路图工作原理
图片尺寸500x592
干货|555定时器原理 3种工作状态讲解,原理款图分析|电压|电路_新浪
图片尺寸2000x1044
555 定时器由555 定时器构成的多谐振荡器由电阻r1,r2,电容c1 以及
图片尺寸533x358
各位大哥,我想知道用ne555做定时电路,用两个电位器来控制开和关的
图片尺寸450x450
555芯片设计定时器的6种电路
图片尺寸640x416
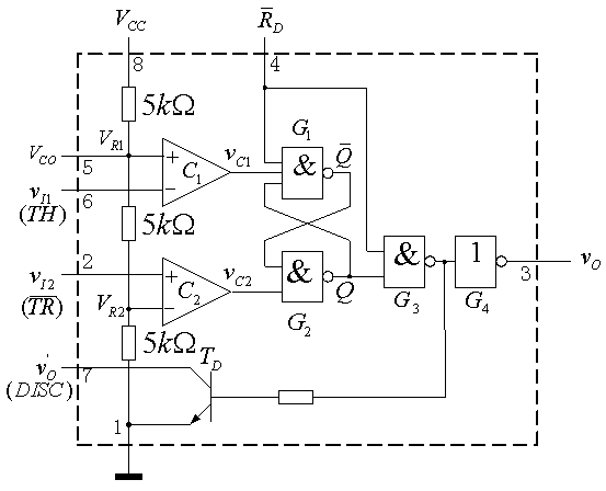
555定时器芯片内部电路分析
图片尺寸1000x562
使用555定时器的简单延时电路示例
图片尺寸1260x502
求555定时器控制led灯的电路图
图片尺寸573x572
data-lemmaid="4872662">集成电路芯片 /a>,常被用于定时器, a target
图片尺寸553x448
如何使用555定时器制作直流电机pwm调速器
图片尺寸507x399
手把手教你555定时器闪光灯电路:元器件清单 工作原理详解 - 知乎
图片尺寸1280x720
采用ne555构成的恒流定时充电器电路图  第1张
图片尺寸786x480
555定时器及其应用
图片尺寸959x680
基于555定时器闪光电路原理图
图片尺寸700x638