555构成的多谐振荡器

555定时器构成的多谐振荡器的占空比怎么求?有固定的求发吗? - 知乎
图片尺寸709x494
图示由555定时器组成的多谐振荡器电路输出
图片尺寸890x632
这是典型的555无稳态电路,也叫多谐振荡器.参见原理图
图片尺寸839x527
555定时器做的多谐振荡器不能产生脉冲,但有电压
图片尺寸445x405
555定时器构成多谐振荡器的电路
图片尺寸410x335
555构成的多谐振荡器电路原理分析
图片尺寸570x276
555组成的非稳态多谐振荡器pdf1页
图片尺寸802x748
555多谐振荡器电路图
图片尺寸800x391
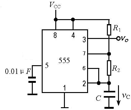
在图所示用555定时器组成的多谐振荡器中,已知v dd =12v,c=0.
图片尺寸312x293
555多谐振荡电路
图片尺寸1249x711
采用ne555构成的多谐振荡器
图片尺寸500x228
555定时器组成的多谐振荡器
图片尺寸348x257
如图所示由555构成的多谐振荡器其vo的振荡频率是
图片尺寸424x356
555多谐振荡器的基本电路
图片尺寸913x499
由555定时器构成的多谐振荡器
图片尺寸1080x810
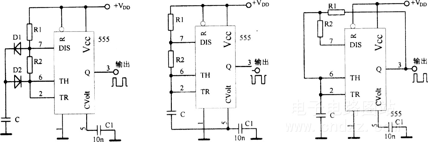
555构成占空比可调的多谐振荡器电路图
图片尺寸993x291
采用集成电路555构成多谐振荡器
图片尺寸1425x473
ne555构成多谐振荡器及三角波正弦波的生成
图片尺寸438x528
图8-4 555构成多谐振荡器 图8-5 多谐振荡器的波形
图片尺寸554x198
555定时器构成的多谐振荡器如下图所示其充电时间常数为放电时间常数
图片尺寸264x204