5l0380r引脚中文资料

ka5l0380r- 5l0380r中文资料.pdf
图片尺寸823x1000
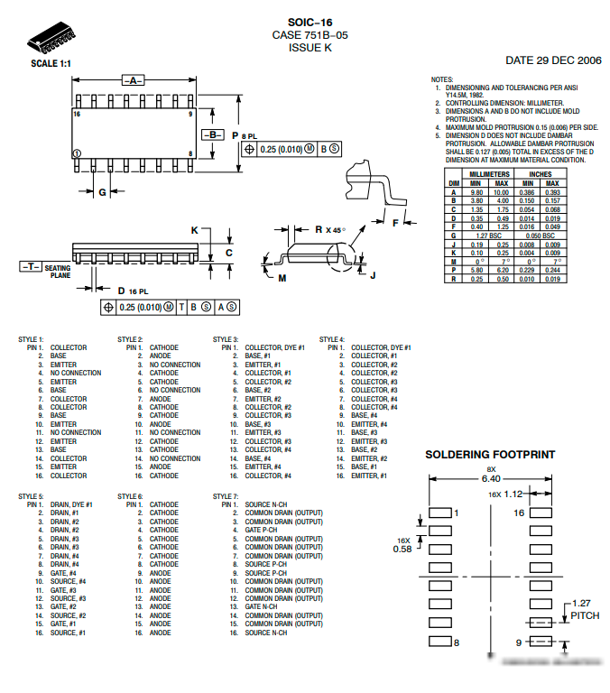
用5l0380r代换top234y修复同洲3188a型dvb机电源
图片尺寸833x834![[sps包括高压功率值sensefet和电流模式pwm ic]) pdf技术资料下载 ka](https://imgs.wantubizhi.com/img/ADDA3C5D760C6828B77B505A29D43E8346298A122DADE1ACD545727BD95FFB0CBCB48C39E15761A2FAEC93C1EE3796EF3214D4E89167AA228A40432F6DD4184690D2D3ED2E4C40C3612A421AFB2DD3756558C248863FBE1CAC21A6DB908C4374)
[sps包括高压功率值sensefet和电流模式pwm ic]) pdf技术资料下载 ka
图片尺寸826x1169
文档下载 所有分类 > fairchild_5l0380r侵权投诉 第
图片尺寸959x1357
78l05管脚图引脚图及参数资料
图片尺寸920x1303
uc3842bd1013truc3842bd1r2g中文资料规格书pdf数据手册引脚图片参数
图片尺寸640x846
ts512iydt中文资料规格书pdf数据手册引脚图图片价格芯片概述产品特点
图片尺寸559x835
ncv7356d2r2g中文资料pdf数据手册参数引脚图图片价格芯片概述特性
图片尺寸695x636
uln2003bdruln2003adr达林顿芯片中文资料pdf数据手册引脚图图片参数
图片尺寸645x565
lm324adr2g四路运算放大器芯片中文资料pdf数据手册引脚图产品手册
图片尺寸709x585
lm324adr2g四路运算放大器芯片中文资料pdf数据手册引脚图产品手册
图片尺寸308x345
ncv7428d13r2g中文资料规格书pdf数据手册引脚图参数功能特性概述
图片尺寸700x685
b0505s1wr2定电压输入隔离非稳压单路输出隔离电源模块
图片尺寸860x1129
推荐 商品
图片尺寸750x1164
lm2904mxnopb运算放大器中文资料规格书pdf数据手册引脚图芯片概述
图片尺寸363x420
ncv1413bdr2g达林顿晶体管中文资料规格书pdf数据手册引脚图图片价格
图片尺寸676x768
tsc2012hydt双向电流感应放大器芯片中文资料规格书pdf数据手册引脚图
图片尺寸389x295
lm239adr四路精密差分比较器芯片中文资料pdf数据手册引脚图参数图片
图片尺寸369x438
lm2903dmr2g电压比较器中文资料pdf数据手册引脚图规格书参数产品手册
图片尺寸389x520
74lvc4245apw收发器芯片中文资料pdf数据手册引脚图产品手册产品参数
图片尺寸262x276