5t行车控制线路图

电动机手动行程位置控制线路图解 如下图所示,工厂车间里的行车常
图片尺寸1603x1280
跪求20/5t行车电气原理图,是凸轮控制的,要控制线图.
图片尺寸1201x889
桥式吊钩起重机电气控制
图片尺寸1426x2200
行车控制电路图原理图
图片尺寸940x557
行车电气原理图 行车103fx_01
图片尺寸1311x927
5t桥式起重机电气控制电路
图片尺寸638x549
20-5t桥式起重机控制线路设计【说明书 cad】
图片尺寸1200x800
25t行车电路图
图片尺寸968x987
5t电动单梁起重机电路图
图片尺寸715x550
5t双梁桥式吊车电气原理图
图片尺寸459x430
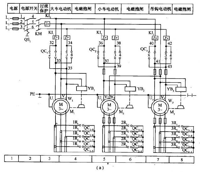
八挡按钮操作行车电路 --电子电路图--电子工程世界
图片尺寸1713x1233
能不能提供一张5t单梁起重机的电路图给我,全一点的
图片尺寸500x444
长城风骏5电控四驱故障检修
图片尺寸1644x1881
20-5t桥式起重机线路
图片尺寸943x553
速行车,起重机及13个/23个接点以下的工业控制遥控用
图片尺寸554x594
专用行车拖动 strong>控制系统 /strong>.gif
图片尺寸873x646
用八挡按钮操作的行车控制电路▼
图片尺寸640x400
跪求20/5t行车电气原理图,是凸轮控制的,要控制线图.
图片尺寸458x316
行车介绍及电气设计原理
图片尺寸693x627
在行车(天车)零位继电器怎么加,零位继电器的作用是什么?
图片尺寸643x524