6206轴承图纸

求深沟球轴承6206的cad文件!
图片尺寸2401x3151
求问6206号深沟球轴承的几何参数,最好配图.~多谢多谢!
图片尺寸352x531
ntn ac-6206轴承图纸
图片尺寸640x472
6206 *轴承尺寸,skf 6206 *轴承价格 - 搜轴网
图片尺寸528x242
skf 6206-znr轴承
图片尺寸630x420
6206-2z/va208轴承
图片尺寸780x340
6206va201轴承
图片尺寸450x205
电子公司采购626-2z滚动轴承 参数 查看采购商
图片尺寸374x593
nachi 6206n 轴承
图片尺寸529x353
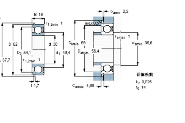
skf 深沟球轴承, 单列,不锈钢, 无密封件w6206样本图纸
图片尺寸780x340
6205-rs/c3--深沟球轴承-60000-rs(160000)一面带骨架式橡胶密封圈
图片尺寸794x1215
ntn 6206llb轴承
图片尺寸504x220
skf6206/hr11tn轴承详细参数
图片尺寸247x178
684cef深沟球满装球全陶瓷轴承尺寸表
图片尺寸3381x2292
原宗正品lyc洛阳轴承6206 6206-2z 6206-2rz 6206n洛轴高速免维护
图片尺寸620x480
6.1.1 设计背景 工业钻孔机需要使用一组深沟球轴承,其图纸如图6.
图片尺寸622x391
铰链用轴承(非标6204)
图片尺寸1164x718
此轴承 样本图纸
图片尺寸780x340
skf 6206n轴承
图片尺寸200x87
nachi 深沟球轴承6216znr样本图纸
图片尺寸455x280