74138

74138引脚图及其真值表
图片尺寸339x304
74138集成电路译码器
图片尺寸500x351
数字逻辑74138做数据分配器
图片尺寸656x554
74138功能表
图片尺寸374x225
数字电子技术实验4报告
图片尺寸675x520
数字电路与逻辑设计:用74138实现一位全加器!
图片尺寸600x337
验证74138译码器功能doc4页
图片尺寸792x1120
可编程器件cpld-7ppt
图片尺寸1080x810
74hc13874138中文资料说明功能真值表引脚图
图片尺寸350x252
用译码器74138配合逻辑门设计电路实现逻辑函数lxyzxyxz画出逻辑电路
图片尺寸600x251
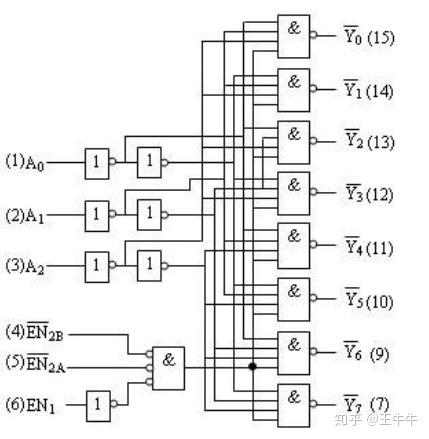
74138集成电路译码器
图片尺寸448x474
数字电路实验二译码器及其应用预实验报告
图片尺寸289x376
用74138设计一个数字译码器输y1为低电平其余都为高电平有人会吗
图片尺寸429x439
用74138译码器扩展成5/32译码电路
图片尺寸600x436
74138设计七段译码器电路图及仿真
图片尺寸893x366
74系列引脚图
图片尺寸919x408
译码器与编码器ppt
图片尺寸1080x810
数字电路与逻辑设计:用74138实现一位全加器!
图片尺寸450x218
展开全部 按键未按下时,输入74138的电平为h;按键按下时,为l.
图片尺寸892x469
基于51单片机的led点阵屏的设计与实现
图片尺寸494x282