74148

8线-3线优先编码器74148逻辑框图,功能表如下图所示,分析其逻辑功能.
图片尺寸533x395
算术编码二进制例题a1a2a3a4编码器常用中规模集成电路msi7414874147
图片尺寸705x417
74系列数字电路74148,74ls148等8-3线优先编码器
图片尺寸721x858
算术编码二进制例题a1a2a3a4编码器常用中规模集成电路msi7414874147
图片尺寸723x379
74148的st端什么意思 yex 和 ys又什么意思
图片尺寸857x598
数字电子技术基础课程设计
图片尺寸863x402
怎么用74148优先编码器和与非门制作一个十线四线8421bcd码编码器
图片尺寸2000x1500
8路数字抢答器的vhdl程序
图片尺寸509x319![74148抢答芯片图[1]](https://imgs.wantubizhi.com/img/A1A61BAA66193547F3A6DD7D8EE527E92B9262598CC53EFAC35DB285888FB837757991EA4E47AC271A255DCFFBC27556D56E7D4A3164721B4F98611D812DA54BC2A737FBC16568415629169D67D92FF02A444CE18CDBB221499C91FFD3BD3003)
74148抢答芯片图[1]
图片尺寸1016x374
首先这不是程序问题,因为74148都没有输出,看看74148真值表
图片尺寸1141x841
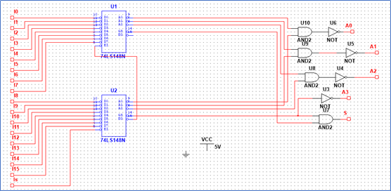
16线4线74148优先编码器
图片尺寸556x272
数字电路两片74148164线编码器病房管理
图片尺寸857x574
编码器常用中规模集成电路msi7414874147数电
图片尺寸713x419
logisim优先编码器怎么用编码器常用中规模集成电路msi7414874147数电
图片尺寸597x376
算术编码二进制例题a1a2a3a4编码器常用中规模集成电路msi7414874147
图片尺寸708x432
30所示电路是由msi二进制优先编码器74148和计数器74160组成的可控
图片尺寸309x302
数字电路两片74148164线编码器病房管理
图片尺寸466x257
quartus仿真22优先编码器74148的级联详细
图片尺寸396x407
数字电路两片74148164线编码器病房管理
图片尺寸1440x1080
八路智能抢答器课程设计李倩
图片尺寸453x364