74151

74系列数字电路74151a,74ls151等8选1数据选择器
图片尺寸1392x1050
数电 分析图8选1数据选择器74151构成的电路,写出其逻辑表达式.
图片尺寸403x241
数电常见74系列器件及其功能总结不要再混乱啦值得收藏
图片尺寸802x677
74系列数字电路74151a,74ls151等8选1数据选择器
图片尺寸1451x1080
74系列芯片引脚图及逻辑功能表doc
图片尺寸920x1302
八选一数据选择器74151组成的电路如下图所示则输出函数为
图片尺寸763x542
2个74151实现16位数据选择器以及在multisim的演示
图片尺寸1362x706
8选1数据选择器74151逻辑功能图片
图片尺寸474x260
通信原理实验指导书 (凌特修改)
图片尺寸368x380
八选一数据选择器74151组成的电路如图1-3所示,则输出函数为( ).
图片尺寸497x383
数字电路设计b卷---试卷模板答案
图片尺寸785x506
9_搜题易
图片尺寸840x691
8选1数据选择器74151逻辑功能图片
图片尺寸474x299
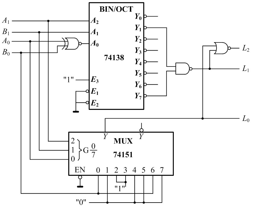
图2-1 三,(15分)如图3-1所示的电路,其中74151是"8选1"数据选择器;试
图片尺寸554x447
八选一数据选择器74151组成的电路如下图所示则输出函数为
图片尺寸404x342
玄殇74151
图片尺寸2160x3840
项目2三人多数表决电路设计ppt
图片尺寸1080x810
采用降维法用一片集成8选1数据选择器ct74151和必要的门电路实现下列
图片尺寸705x895
74151设计七段译码器电路图及仿真
图片尺寸625x769
设计电路输入4位二进制数 是3的倍数输出1 不是输
图片尺寸450x317