74L153设计全减器

双4选1数据选择器74ls153
图片尺寸920x1302
用4选1数据选择器实现【实验内容】(1)用8选1数据选择器74ls151设计三
图片尺寸579x623
数据选择器74ls153应用电路图大全(表决电路交通灯报警电路)-电子
图片尺寸631x452
四,用74ls153数据选择器设计一位二进制全减器.74ls153如下图所示.
图片尺寸536x301
数据选择器74ls153应用电路图大全(表决电路交通灯报警电路)-电子
图片尺寸774x482
用双4选1数据选择器74ls153实现的逻辑电路如下图所示,试分析该电路的
图片尺寸479x340
仿照全加器画出1位二进制数的全减器:输入被减数为a,减数为b,低位来的
图片尺寸530x570
双4选1数据选择器74ls153
图片尺寸621x443
74ls153 pdf下载及第1页内容在线浏览
图片尺寸1005x1407
全减器的逻辑电路multisim仿真数电设计
图片尺寸1728x1080
74ls153利用双四选一数据选择器实现全加器的电路图资料免费下载-电子
图片尺寸564x366
共同成长888 ic资料74ls153是常用的双4选1数据选择器/多路选择器,在
图片尺寸546x316
用双四选一数据选择器74ls153如图3229所示设计一个四变量的多数表决
图片尺寸542x335
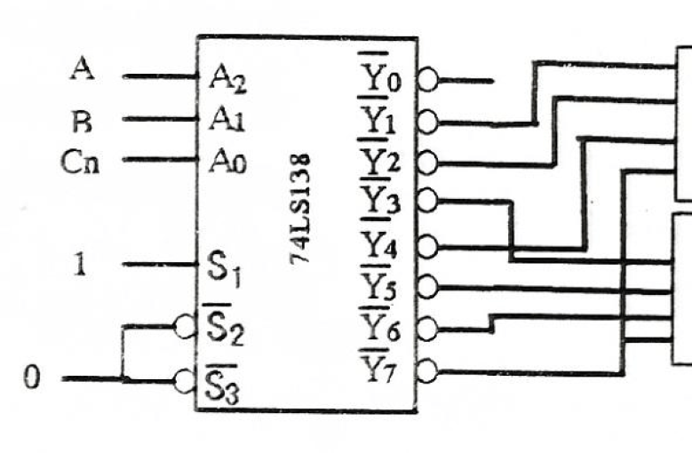
应用74ls139译码器和最少的与非门实现全减器.
图片尺寸810x1170
ppt 实验二 组合逻辑电路设计与实现 将双 4选1 数据选择器 ct74ls153
图片尺寸1080x810
74ls153引脚图管脚功能表74153里面有两个地址码共用的4选1数据选择器
图片尺寸481x341
cumt矿大----电路与数字系统实验一 一位全减器_74ls153设计一位全减
图片尺寸2330x1600
组合逻辑电路一位全减器设计
图片尺寸553x420
全减器
图片尺寸779x510
双4选1数据选择器74ls153
图片尺寸621x443