74LS290

(1) 74ls290引脚图及逻辑功能 (1) 74ls290引脚图及逻辑功能ppt
图片尺寸1080x810
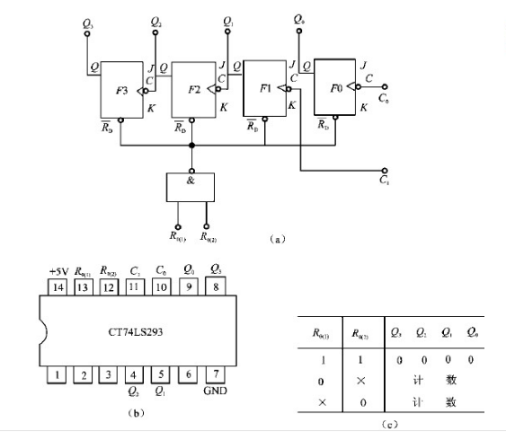
下图是ct74ls290型二-五-十进制计数器的逻辑图,外引线排列图和功能表
图片尺寸622x677
异步计数器
图片尺寸1363x727
74ls161是4位二进制同步加法计数器,除了有二进制加法计数
图片尺寸590x314
74系列数字电路74290,74ls290十进制计数器系列数字7429074ls290十
图片尺寸1487x762
如何判断74ls20逻辑门电路的好坏
图片尺寸426x272
74ls293二进制计数器|2010-09-0174系列数字电路74290,74ls2
图片尺寸1524x2197
74ls293二进制计数器|2010-09-0174系列数字电路74290,74ls290十进制
图片尺寸1505x1746
47sl0 1 1, 74ls1 0:3输三与非入门2 ,引的脚义:定
图片尺寸1080x810
74系列数字电路7419074ls190等可预置bcd十进制遇不可逆计数器带方式
图片尺寸1380x1104
74ls系列集成块管脚图ppt
图片尺寸1080x810
集成计数器74ls192的使用ppt
图片尺寸1080x810
如图所示是由两片十进制计数器74hc290组成的100进制计数器.
图片尺寸820x414
a,eaxb,ebxc,ecxd,edx点击查看答案第6题请分析这个由两片 ct74
图片尺寸670x391
实验1 组合逻辑电路设1
图片尺寸343x301
集成计数器74ls161引脚图
图片尺寸400x255
编码器-解码器电路设计及multisim软件仿真_multisim74ls14编码器测试
图片尺寸566x595
74ls290是二/五分频十进制计数器,其功能表如图a所示.
图片尺寸636x256
在图2128所示的逻辑图中试画出q1端和q2端的波形
图片尺寸563x481
展开全部 74ls139 为两个2线-4 线译码器;74ls07是集电极开路输出的
图片尺寸450x310