74hc148原理图

数码资源共享生活教育/科学 展开全部 用一个74138和几个或门就行了
图片尺寸765x512
74hc148 datasheet pdf
图片尺寸459x992
动圈麦克风放大电路图
图片尺寸1546x708
74ls14867的工作原理及其引脚功能说明
图片尺寸513x296
sn54hc148 , sn74hc148
图片尺寸850x1100
电池电量检测电路
图片尺寸832x821
74hc20d/aip74hc20最新中文资料
图片尺寸436x416
arduino与proteus仿真实例74hc148优先编码器驱动仿真
图片尺寸1521x831
一,编码器与解码器原理
图片尺寸1037x647
74ls148管脚图引脚
图片尺寸488x322
a4988steppermotordrivercarrier
图片尺寸600x685
74hc148_datasheet
图片尺寸918x1188
4558双声道运放电路图(六款电路图分享)
图片尺寸601x175
74hc32- quad 2-input or gate
图片尺寸500x500
图5-3 cc74hc112外引线排列图
图片尺寸587x469
电台话筒的改造!
图片尺寸640x400
步进电机驱动板a4988,请指教
图片尺寸655x580
完成任务特能84v电动车充电器改可调附图纸和单片机资料
图片尺寸1188x882
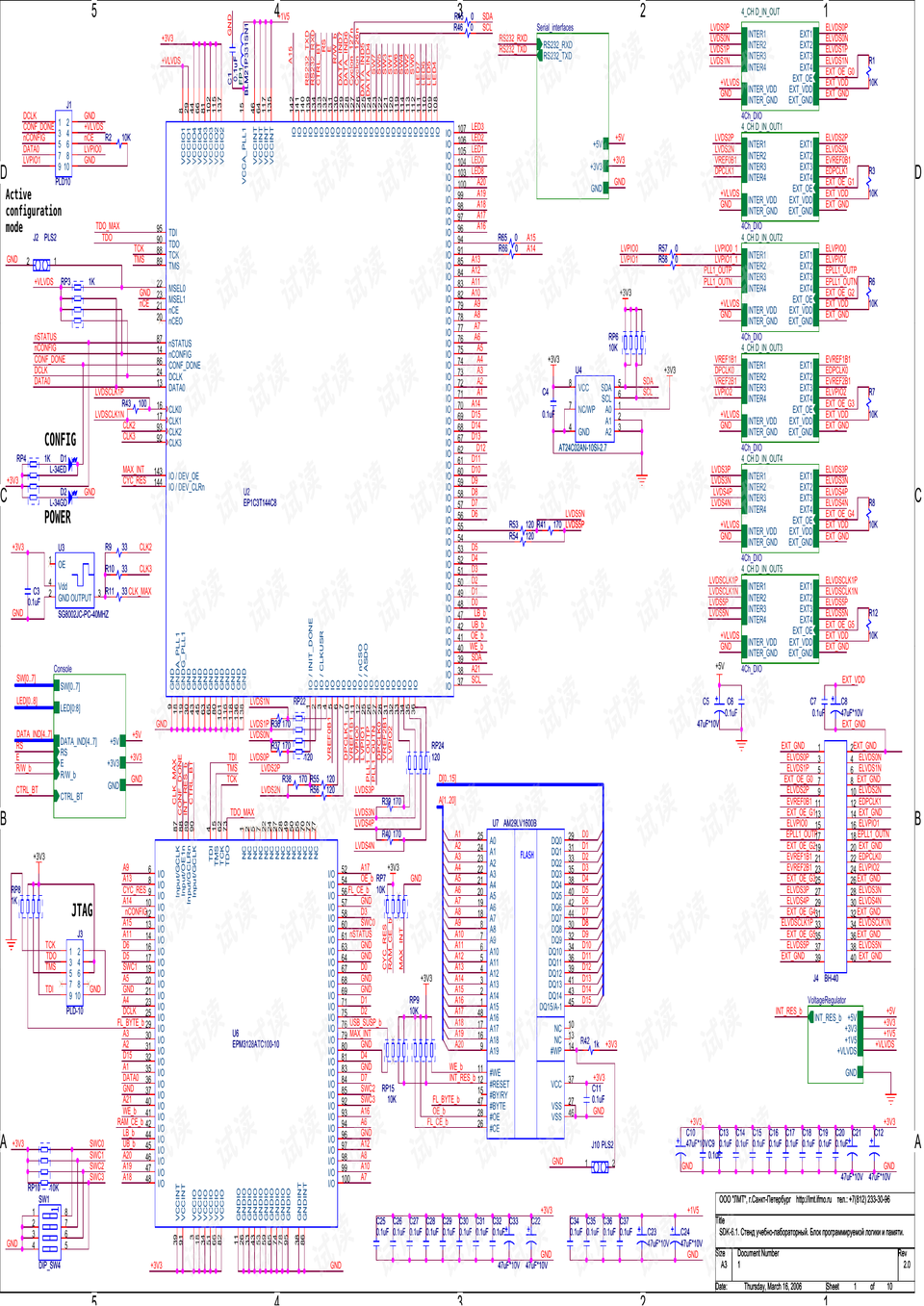
ep1c3t144c8原理图.pdf
图片尺寸960x1357
基于uc3844的反激开关电源设计
图片尺寸1080x543