74hc153电路图

电路如图所示图中74hc153为4选1数据选择器试问当mn为各种不同输入时
图片尺寸279x225
(1)用8选1数据选择器74ls151设计三输入多数表决电路①写出设计固程
图片尺寸579x623
该电路由优先编码器74hcl47,七段译码器cd4511和七段数字显示器等
图片尺寸582x309
用双4选1数据选择器74ls153实现的逻辑电路如下图所示试分析该电路的
图片尺寸479x340
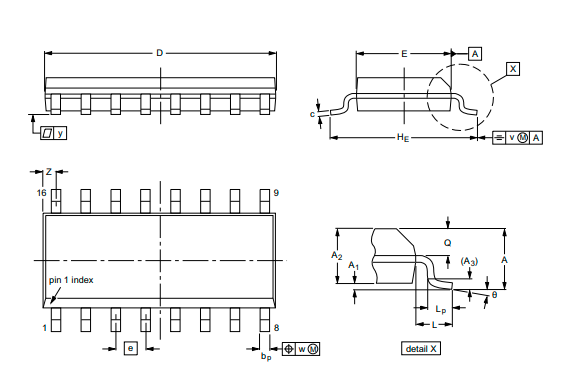
图5-3 cc74hc112外引线排列图
图片尺寸587x469
分析图4161电路写出输出z的逻辑函数式74hc151为8选1数据选择器其逻辑
图片尺寸357x232
74ls153逻辑符号
图片尺寸1080x810
已知多路选择器74ls153组成的电路如下,请根据功能表分析该电路的功
图片尺寸810x1170
熟悉74hc153数据选择器的引脚和功能:1g,2g为两个独立的使能端;b,a为
图片尺寸1310x1020
74hc14 芯片
图片尺寸956x737
74hc14门电路符号怎么对应实际集成块儿接法?
图片尺寸353x449
sl74hc153n参数datasheetpdf下载
图片尺寸828x1169
原装拍一件=5个 sn74ls153n dip16 双4选1数据选择器芯片 2v~6v
图片尺寸360x360
图1为由4位同步二进制计数器74hc163和门电路组成的()进制计数器
图片尺寸1102x578
数字逻辑电路, 用74ls153设计监控交通信号灯故障的电路 用74ls160
图片尺寸500x298
74ls138和74ls20,74ls151,74ls153四种方式实现的表决电路
图片尺寸1080x810
74ls153双四选一真值表 - csdn
图片尺寸744x330
德州仪器sn74hcs153 / sn74hcs153-q1 4对1多路复用器的介绍,特性
图片尺寸1092x1100
74hc123pw/74hc123d逻辑门中文资料规格书产品文档pdf档手册引脚图
图片尺寸563x391
74ls153引脚功能图
图片尺寸634x454