74hc20

74hc20d/aip74hc20最新中文资料
图片尺寸436x416
74ls20引脚图管脚功能真值表资料(74hc20)
图片尺寸348x314
74hc20双4输入与非门介绍
图片尺寸394x323
> mm74hc20
图片尺寸850x1100
74hc20 dip封装(a8i1)
图片尺寸450x450
sn74hc20an dip14 全新进口原装现货
图片尺寸1440x1919
【高科美芯】ic集成电路74hc20d sop14贴片 双路4输入与非门 芯
图片尺寸800x800
74hc20双4输入与非门介绍
图片尺寸763x410
原装正品 sn74hc20pwr tssop-14 双路4输入正与非门芯片
图片尺寸800x800
74hc20双4输入与非门介绍
图片尺寸820x318
74hc20双4输入与非门介绍
图片尺寸437x196
74hc20:双—四输入与非门 74hc27:三—三输入或非门
图片尺寸893x374
器件序号 名称 数量 功能u1,u2 74hc138 2 乘法运算u3:a,u3:b 74hc20
图片尺寸538x381
74系列芯片引脚图材料大全
图片尺寸553x771
11所示电路为两个od与非门74hct03线与连接,驱动两个ttl与非门74ls00
图片尺寸598x297
m74hct273b1r_技术文档_触发器_八路d型触发器与clearoctal d type fl
图片尺寸850x1100
tc74hc377afw,tc74hc377afw pdf中文资料,tc74hc377afw引脚图,tc74hc
图片尺寸826x1169
m74hc20b1r
图片尺寸826x1169
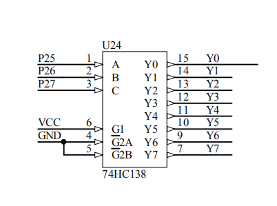
74hc三八译码器
图片尺寸402x299
m74hc20rm13tr《logic gates dual 4-input nand》
图片尺寸310x310