74hc595

74hc595的使用
图片尺寸1226x723
74hc595芯片引脚说明_74hc595上电瞬间引脚有输出-csdn博客
图片尺寸500x271
74hc595驱动控制led 原理图和单片机代码 - 51单片机
图片尺寸714x418
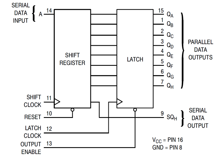
【精选】74hc595移位寄存器使用方法_74hc595真值表_苏守坤的博客-csd
图片尺寸777x559
74hc595的问题 开发板上2个595脚都是通用的_百度知道
图片尺寸731x723
74hc595使用说明与驱动原理_丶syllable的博客-csdn博客
图片尺寸1080x840
74hc595驱动点阵如何焊接_百度知道
图片尺寸808x403
【精选】74hc595移位寄存器使用方法_74hc595真值表_苏守坤的博客-csd
图片尺寸519x474
全新正品 直插 sn74hc595n 逻辑芯片 - 寄存器 dip-16
图片尺寸800x800![比赛计分系统设计 [小脚丫step开源社区]](https://imgs.wantubizhi.com/img/A1A61BAA66193547F3A6DD7D8EE527E9673C4E64794DDF20EE7CE7B714E6EC29B5249B60E65DC7CD3ADC2ADA124D19DC7D39A2E6A0E44EDDB58CA16970C96F02D5EFF1783F6DCE57C08580F1702175E466ABC3E89A8D6ADA30446C32C370AFD9)
比赛计分系统设计 [小脚丫step开源社区]
图片尺寸800x343
74hc595 8位移位寄存器的使用小结 - 走看看
图片尺寸534x344
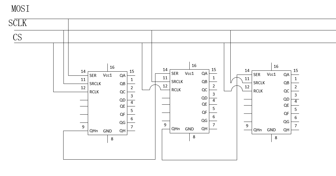
74hc595级联——double tong学习博客
图片尺寸850x506
树莓派使用sn74hc595控制数码管-csdn博客
图片尺寸548x551
io扩展(74hc595)_单片机_普中 - 爱码网
图片尺寸687x350
74hc595控制8位数码管 51单片机
图片尺寸581x481
51单片机74hc595驱动lcd1602扩展io口_单片机驱动595_菜鸟会点灯的博
图片尺寸1000x762
introduction to 74hc595 shift register - controlling 16 leds - p
图片尺寸1024x1355
74hc595芯片介绍及工作原理
图片尺寸361x317
求一个74hc595驱动四位八段数码管的单片机程序,要求有两个参数的显示
图片尺寸828x517
使用hal 库的spi实现74hc595芯片控制_595控制灯 spi程序_看电路的程
图片尺寸1148x602