74ls194往返循环灯

免费文档 所有分类 彩灯控制器 1,74ls194移位寄存器的控制输入端s1和
图片尺寸580x676
表7.2.4 74194的功能
图片尺寸510x263
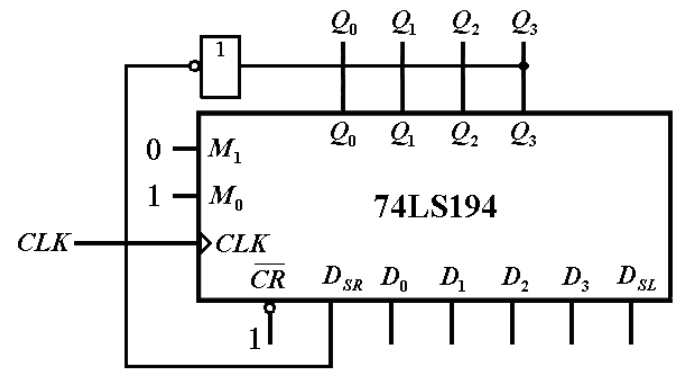
电路组成使用 4 位双向移位寄存器 74ls194,并设置为右移输入工作方式
图片尺寸692x388
交通灯系统电路图
图片尺寸1030x634
74ls194引脚图及功能
图片尺寸282x271
74ls194逻辑功能示意图
图片尺寸565x334
可中断控制的循环彩灯系统介绍
图片尺寸706x490
循环追逐式彩灯电路
图片尺寸731x376
余启新 八路循环彩灯设计
图片尺寸485x177
1 2010-12-29 8个led灯 依次循环亮起 求multisim仿真 电路图一.
图片尺寸930x552
循环彩灯控制电路的multisim仿真设计
图片尺寸467x206
数电实验报告 4路彩灯显示系统的设计与实现
图片尺寸778x406
彩灯循环显示控制器实验报告
图片尺寸777x385
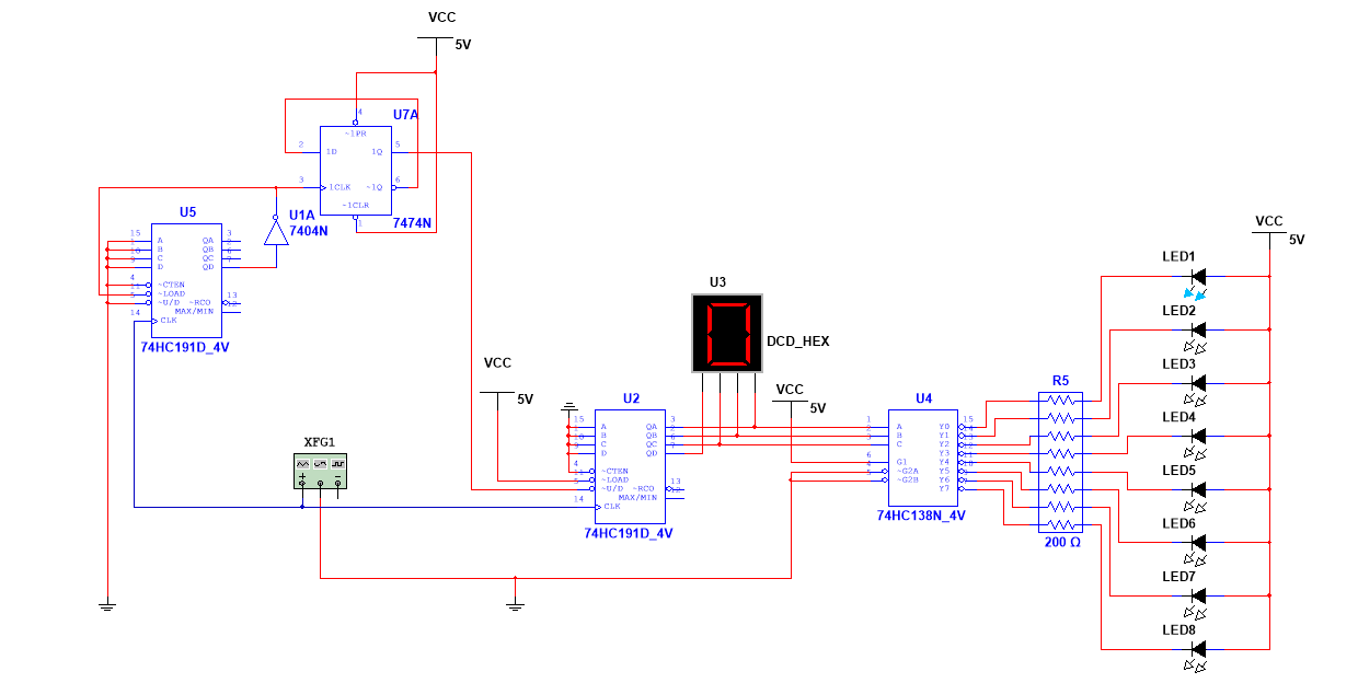
【proteus】灰色状态问题 74194实现8个流水灯
图片尺寸1101x672
彩灯控制程序设计
图片尺寸472x591
ring counter
图片尺寸413x522
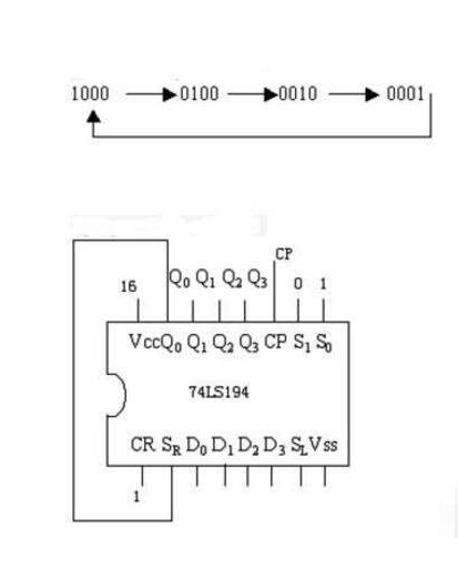
图6-27 74ls194的逻辑符号及引脚功能74ls194有5种不同操作模式:即
图片尺寸1138x509
简易交通灯控制电路设计
图片尺寸692x404
图6-204 74ls192十进制同步加/减计数器图6-205 74ls194 4位双向移位
图片尺寸908x574
数字电路——流水灯(二)_往返流水灯
图片尺寸1240x624