74ls20电路图

计数译码显示电路实验
图片尺寸434x292
部分集成电路引脚排列图
图片尺寸670x543
74ls138和74ls20,74ls151,74ls153四种方式实现的表决电路
图片尺寸1080x810
74ls138和74ls20,74ls151,74ls153四种方式实现的表决电路
图片尺寸1080x810
二,试验器材 74ls00四2输入与非门 74ls20二4输入与非门 74ls74双
图片尺寸773x352
三.利用74ls161计数器芯片实现模20的计数器
图片尺寸1099x618
四路抢答器电路图问题,求帮忙解答,着急?
图片尺寸802x453
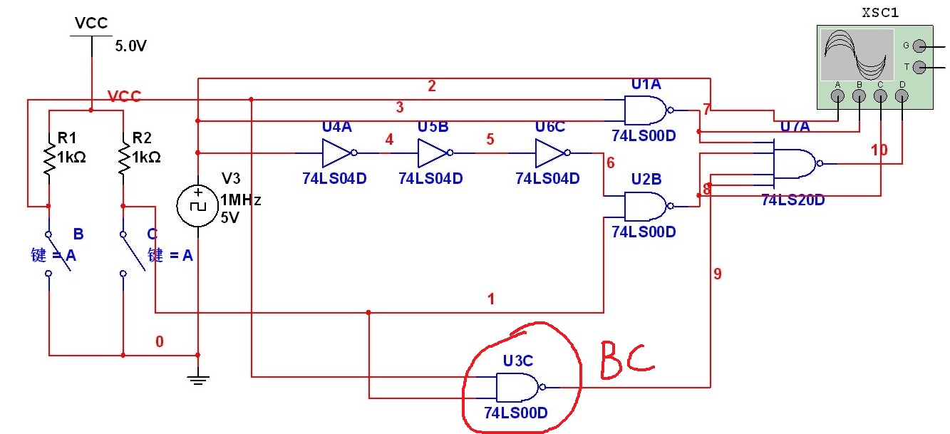
74ls00和74ls20芯片三人表决器
图片尺寸578x492
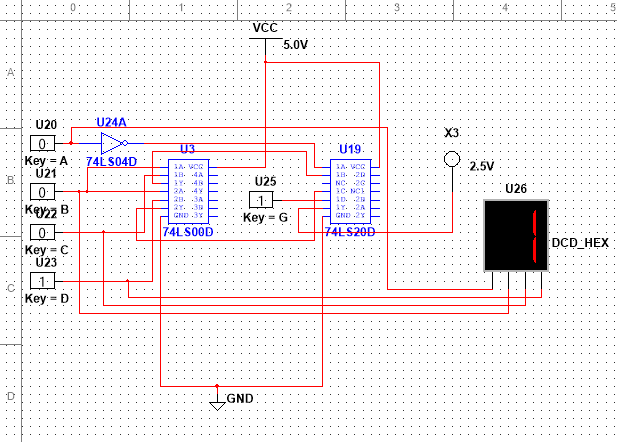
74ls20的引脚是怎样连接到电路上的
图片尺寸348x272
线上实验五:2个2位二进制乘法器_基于4-16译码器和74ls20,74ls30和
图片尺寸538x381
数电实验一:组合逻辑电路_用74ls20设计四位数密码锁-csdn博客
图片尺寸1722x724
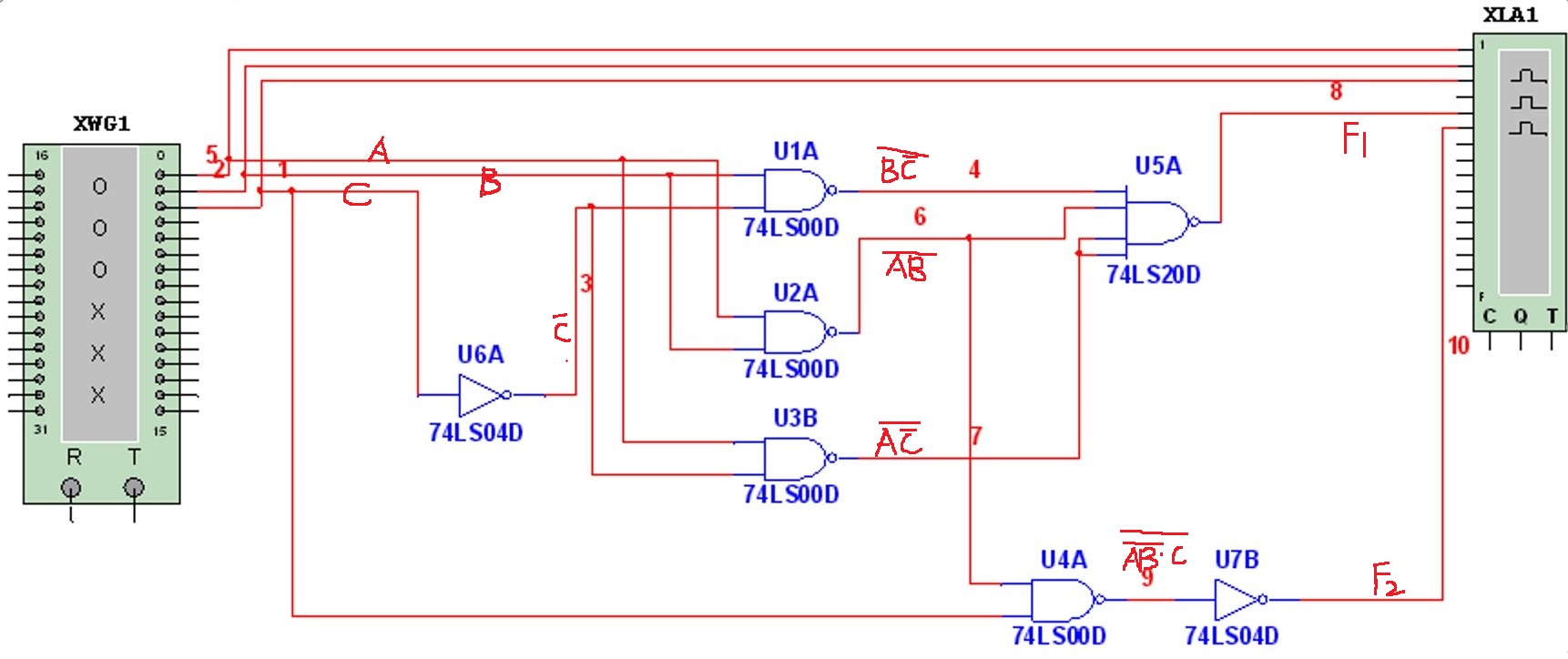
三人表决器电路简介
图片尺寸1568x980
工学 数电课程设计_四路智能抢答器设计 该电路由四d触发器74ls175,与
图片尺寸919x430
一周搞定数电组合逻辑电路
图片尺寸586x345
数电实验一利用与非门设计四舍五入判别电路
图片尺寸617x442
数电实验一:组合逻辑电路_用74ls20设计四位数密码锁-csdn博客
图片尺寸1333x609
常用在各种数字电路和单片机系统中,德州仪器74ls20系列是逻辑芯片,sn
图片尺寸603x377
数字电路实验一组合逻辑电路的设计预实验报告
图片尺寸1499x729
实验3 组合逻辑电路设计
图片尺寸289x355
数电实验一:组合逻辑电路_用74ls20设计四位数密码锁-csdn博客
图片尺寸941x509