74ls245

htm 74ls244和74ls245的引脚图如下: 管理员
图片尺寸400x207
数码管显示电路中的74ls245问题
图片尺寸869x387
p>74ls245是常用的数字芯片,74ls245为三态总线转
图片尺寸684x383
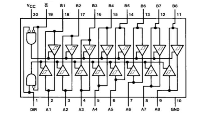
74ls245
图片尺寸321x222
sl74ls245d pdf文件_sl74ls245d pdf文件在线浏览
图片尺寸912x1494
直拍直插sn74ls245n74ls245dip20八同三态总线收发器芯片
图片尺寸800x800
p>74ls245是常用的数字芯片,74ls245为三态总线转
图片尺寸707x536
2mm sop20贴片(一个)
图片尺寸800x800
74ls245 pdf文件_74ls245供应商_pdf文件在线浏览页
图片尺寸989x1385
基于单片机的交通信号灯控制系统设计
图片尺寸670x329
74ls245
图片尺寸543x340
图像仅供参考 请参阅产品规格
图片尺寸640x640
hd74ls245p中文资料
图片尺寸746x392
电子设计大赛显示电路
图片尺寸627x356
单片机教程网 常用芯片 >> 浏览文章*74ls245是我们
图片尺寸674x372
谁找到74254,74ls245芯片引脚的功能和功能图啊?
图片尺寸469x581
doc 2页
图片尺寸792x1120
单片机数字电压表程序及电路原理图adc0808 74ls245
图片尺寸991x544
kk74ls245 datasheet(1/5 pages) kodenshi | oct
图片尺寸892x1263
74系列数字电路74ls24574f245等八缓冲器三态线驱动器
图片尺寸1412x1309