74ls248

二,实验设备 数字电路实验箱,共阴数码管lc5011-11,74ls248芯片,74l
图片尺寸335x373
2 74ls248的管脚和功能表
图片尺寸1022x467
计数译码显示电路实验
图片尺寸434x292
调试1ppt (5)将共阴极bcd7七段译码器/驱动器 74ls48(74ls248)和共阴
图片尺寸1080x810
74ls248引脚图
图片尺寸428x322
表2 74ls48的功能真值表
图片尺寸517x570
用74ls90完成8421bcd码8进制计数器,并用数码管显示
图片尺寸650x233
74ls08与门芯片
图片尺寸374x334
bcd七段显示译码器
图片尺寸533x271
实验七:计数译码显示电路
图片尺寸483x272
可编程时钟控制器的设计与计算机仿真研究word文档下载
图片尺寸359x414
74ls151的逻辑功能如下
图片尺寸654x360
hd74ls245rpelrenesas瑞萨八路总线收发器
图片尺寸900x745
图52,调整时间这里采用了74ls74芯片,采用他在延时的作用,来通过调整
图片尺寸1109x431
74ls11芯片管脚图:74ls32芯片管脚图:74ls112芯片管脚图
图片尺寸324x650
mc74hc4538adtr2g_(onsemi(安森美))mc74hc4538adtr2g中文资料_价格
图片尺寸2006x1962
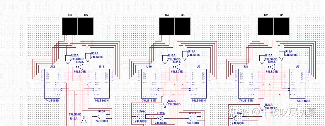
你好 我想问一下74ls160构成24进制的图是正确的吗 可以的话能加下你
图片尺寸736x549
电子技术实验预习指导 2)测试bcd七段译码/驱动器74ls248的逻辑功能
图片尺寸405x496
74系列数字电路7418174ls181等算术逻辑单元功能发生器
图片尺寸1457x1920
同步加/减计数器图6-205 74ls194 4位双向移位寄存器图6-206 74ls248
图片尺寸792x901