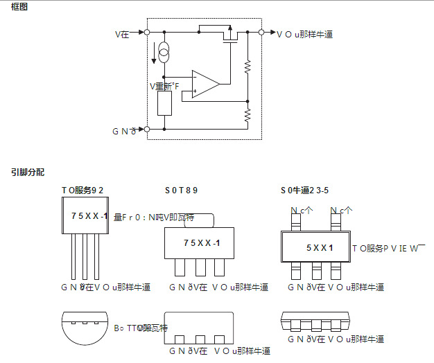
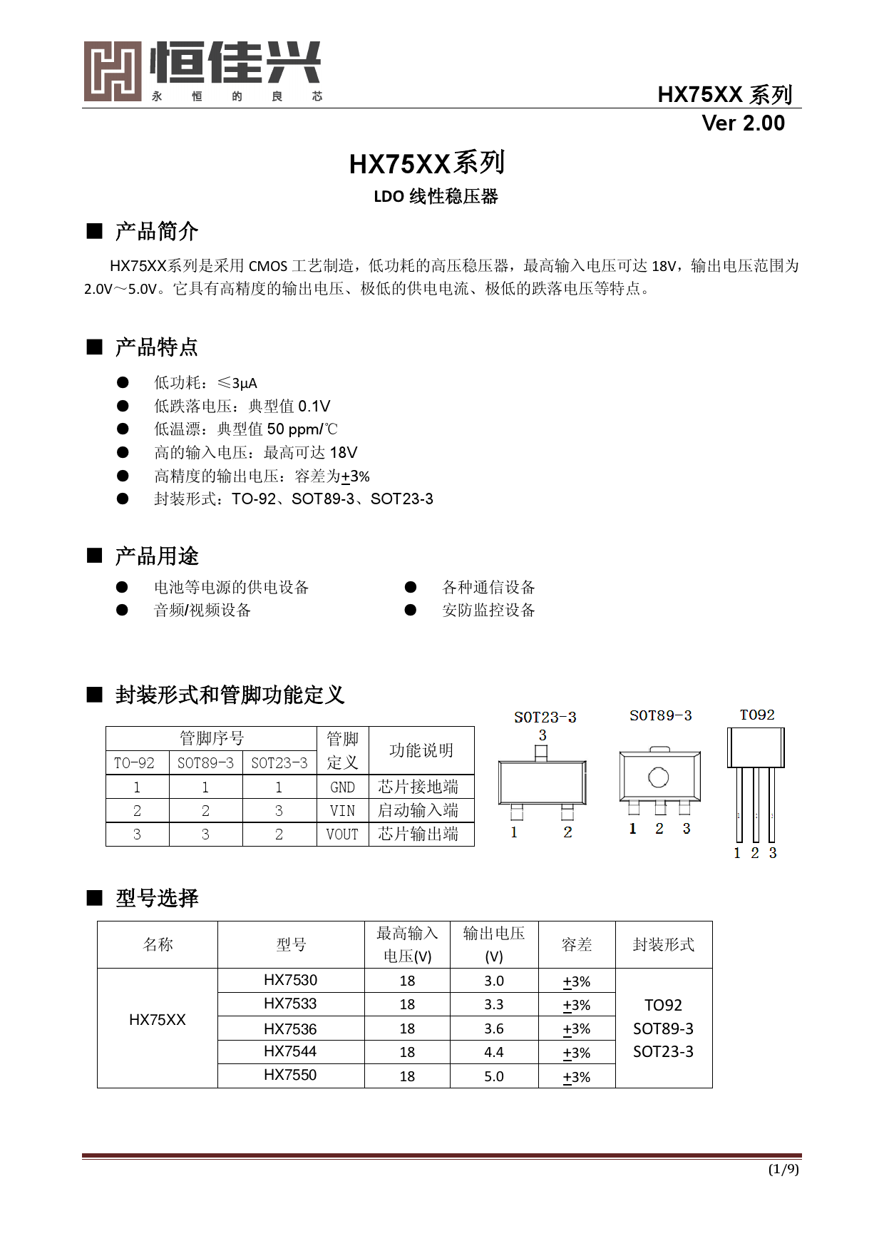
7550-1引脚图和参数

ht7550-1 三端稳压只做原装正品 现货 封装sot89 一站式bom配单
图片尺寸626x524
ht7550-1_pdf_c18333_2017-09-19
图片尺寸952x1232
求型号为7550a-1ic的电路图,谢谢.
图片尺寸582x620
ht7550 ht7550-1 sot-89低功耗ldo三端稳压芯片全新现货-阿里巴巴
图片尺寸360x360
ht75501数据表pdf2pageholteksemiconductorinc
图片尺寸892x1263
欢迎纠错 1/2>选择时请仔细核对商品参数信息相似商品包装方式:编带
图片尺寸1240x1754
合泰ht7550ht7550a1稳压芯片
图片尺寸900x252
ld7550in,pdf,arm单片机,stc51宏晶系列集成块 - 集成电路资料查询网
图片尺寸1290x1821
ht7550
图片尺寸630x911
78l05管脚图引脚图及参数资料
图片尺寸300x424
ht7533-1 三端线性稳压器ldo-100毫安低功耗/30v输入电压芯片现货
图片尺寸839x429
方案支持ht7533 ht7550-1稳压器芯片sot-89线性稳压管ic通信设备
图片尺寸800x800
贴片三端稳压三极管 ht7550-1 稳压管 封装sot-89 国产 1000只
图片尺寸800x800
ht75501数据表pdf13pageholteksemiconductorinc
图片尺寸892x1263
贴片三端稳压三极管 ht7550-1 稳压管 封装sot-89
图片尺寸700x700
ht7550-1 封装 sot-89-3 三端稳压芯片 集成电路(ic) 原装正品
图片尺寸360x360
订婚衣服女长1款改良旗袍中夏季2024新款新中式民国风复古修 sj7550 s
图片尺寸800x800
三极管8550和8050封装定义及参数_第1页
图片尺寸920x1303
贴片 ht7550-1 sot-89 18v 低压差稳压电路芯片 (5只)
图片尺寸640x640
ht7550-1sot23/sot23-3高输入18v 稳压ic低功耗 丝印ht50-阿里巴巴
图片尺寸360x360