7850电路图

用汽车功放芯片tda7850做电子二分频.
图片尺寸862x525
求tda7850电路图谢谢!
图片尺寸481x600
tda7850电路
图片尺寸400x360
各位高手有没有用过tda7850功放板的
图片尺寸700x448
v5首例diy升级车载cd功放更换tda7850集成功放模块成功
图片尺寸526x492
做个tda7850和pa2030a之类的功放
图片尺寸444x794
6cd机换tda7850功放芯片-爱卡汽车网论坛
图片尺寸488x607
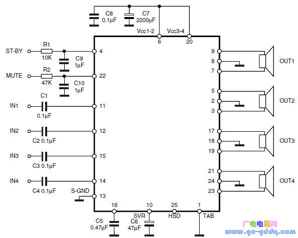
tda7850h应用电路图
图片尺寸594x475
轩逸换喇叭摩cd音质对比(航盛/ta8264换tda7850再查tda7850的电路图
图片尺寸700x529
tda7850
图片尺寸773x557
哪些车型原车音响的功放ic可以改为tda7850 tda7854?
图片尺寸416x692
tda7850电路图没分了帮帮忙
图片尺寸600x500
卡仕达变3导航7388功放芯片改国产7850音效有提升
图片尺寸587x906
tda7850电路图
图片尺寸400x293
锋驭原装导航tb2939hq改tda7850完美成功无高频自激噪音
图片尺寸700x446
>20kw超级功放电路图
图片尺寸1000x987
放毒!爆改h530车载cd功放,更换tda7850集成功放块
图片尺寸700x424
我也来搞h2小卡机头更换tda7850提高音质
图片尺寸700x283
蓝宝7850没核心供电ic是ncp5395
图片尺寸964x825
tda7388改tda7850
图片尺寸793x1123