8位cpu电路图

cpu电路总览
图片尺寸1560x913
cpu供电电路原理讲解
图片尺寸720x540
计算机组成原理 8位risc cpu设计
图片尺寸877x990
从零设计一个简单的8位cpu-只有加法功能
图片尺寸1432x585
由圈可知,该电路是由cpu,内部存储器(rom,ram),时钟信号产生器,字符
图片尺寸1376x1048
cpu电路图
图片尺寸863x644
3,cu文件2,cpu文件:1,cpu_test文件:从该网站下载logisim文件,并且
图片尺寸495x585
dac1210与8位cpu的接口电路
图片尺寸972x757
实现一个8位cpu(8)8位alu
图片尺寸1618x804
典型计算机主板的cpu供电电路原理图
图片尺寸1656x1150
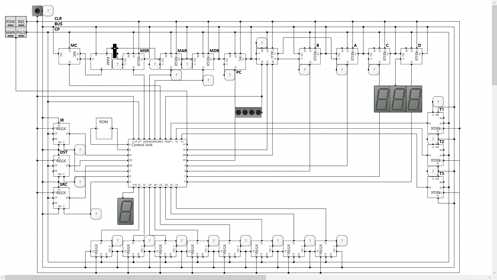
cpu 电路图
图片尺寸1753x1226
运算器效果使用相同的思路可以设计出计算减法甚至是乘除法的电路.
图片尺寸951x939![megawin mg82fg216 8 位微处理器用户手册:[1]](https://imgs.wantubizhi.com/img/735A5D1F980B52A636CC46F12F2D1A73165B69C276463A3AE1FC3D109633C73D9B2D6A1D3CCBBB9B97B4851921D206D06AA358801CB3A4AD2AD3CF77F1946FFFF888D8912FADB71756323DCC3334EEE5)
megawin mg82fg216 8 位微处理器用户手册:[1]
图片尺寸2381x3368
实现一个8位cpu(1)简介
图片尺寸1667x939
自制cpu的黑暗历程一
图片尺寸1053x749
微机8088主板图绘制
图片尺寸1171x832
骁龙8 gen4处理器:设定激进,功耗疑似较大!
图片尺寸960x626
高手们帮忙看下这个8脚的是什么型号芯片!谢谢?
图片尺寸995x583
bp2832k原理图电路
图片尺寸723x538
联想125,430a,c461 cpu供电电路
图片尺寸720x540