8选1数据选择器电路图

免费文档 所有分类 工程科技 电子/电路 130nm8选1数据选择器仿真实现
图片尺寸999x1006
8选1数据选择器74151逻辑功能图片
图片尺寸474x337
数电实验二利用8选1数据选择器74ls151设计四舍五入判别电路
图片尺寸576x431
8选1多路选择器74ls151电路图四:用数据选择器74ls151实现接线图8选1
图片尺寸916x463
verilog74hc151八选一数据选择器并扩展为16选1数据选择器
图片尺寸1980x2176
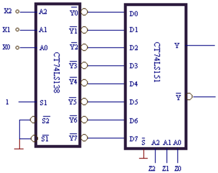
将两片74ls151连接成一个两位8选1数据选择器 en c b a g c b y a d0
图片尺寸1080x810
数字电路问题:如何用8选1数据选择器74ls151和合适的门电路实现逻辑
图片尺寸1096x566
用74153扩展成一个八选一数据选择器电路与真值表
图片尺寸1081x651
写出图3286所示8选1数据选择器74ls151组成电路的输出逻辑表达式
图片尺寸256x194
用8选1数据选择器ct74151实现的电路如图所示,写出输出z的逻辑表达式
图片尺寸384x283
数电 分析图8选1数据选择器74151构成的电路,写出其逻辑表达式.
图片尺寸403x241
试用一片8选l数据选择器74hcl5 1实现2位二进制数的比较电路,当a>b时
图片尺寸474x351
八选一数据选择器74151组成的电路如图1-3所示,则输出函数为( ).
图片尺寸497x383
用8选1数据选择器实现逻辑函数f=ac bc ab列出真值表,画出逻辑图
图片尺寸525x357
八选一数据选择器74151组成的电路如下图所示,则输出函数为 - 上学吧
图片尺寸406x267
试用8选1数据选择器ct74ls151集成电路实现4变量逻辑函数
图片尺寸425x337
a1a0d0 a2a1a0d1 a2a1a0d2 a2a1a0d3 图1(b)所示为一个8选1数据选择器
图片尺寸865x564
8选1数据选择器74151逻辑功能图片
图片尺寸474x260
写出图3286所示8选1数据选择器74ls151组成电路的输出逻辑表达式
图片尺寸357x232
分析图p416电路写出输出z的逻辑函数式74hc151为8选1数据选择器
图片尺寸521x337