817引脚说明图

光耦817的简介
图片尺寸408x308
原厂正品台湾亿光el817s1(c)(tu)-f贴片光耦 817全系列abcd档现货
图片尺寸595x474
光耦pc817应用电路引脚图与pdf中文资料
图片尺寸712x322
关于pc817光耦串电阻
图片尺寸871x384
817光耦 4路电压隔离板 电压控制转接模块 驱动模块光电隔离模块
图片尺寸681x596
匡通厂家直销环保正品直插光耦ps817b/ps817c
图片尺寸793x421
光耦pc817引脚
图片尺寸600x401
关于817光耦,如图所示
图片尺寸779x389
el817-台湾亿光电子一级代理商everbright官方网站
图片尺寸700x505
817c光耦中文资料介绍
图片尺寸451x284
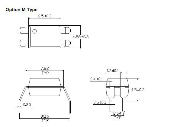
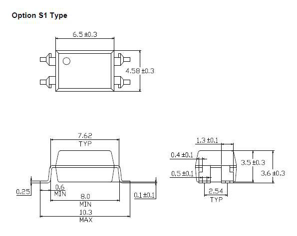
现货el817cf和el817s1ctuf贴片光耦
图片尺寸500x407
光藕pc817的几个应用电路
图片尺寸800x469
pc817是线性光耦吗谁用过
图片尺寸676x384
原厂正品台湾亿光el817s1(c)(tu)-f贴片光耦 817全系列abcd档现货
图片尺寸563x421
ltv-817x-b光宝光耦liteon光电耦合器原装
图片尺寸621x696
pc817a pc817b pc817c pc817d pc817 光耦
图片尺寸884x349
光耦817c引脚图接线图
图片尺寸298x356
光耦817c引脚及功能
图片尺寸330x157
bc817–40dpm三极管
图片尺寸950x532
光耦参数及资料
图片尺寸893x518