DIN76—B

based on tap clearance din 76一b 标准是多少
图片尺寸459x455
din_76-b
图片尺寸1222x1725
50kb积分:66963版权申诉
图片尺寸920x1301
集帝er16高精夹簧弹簧铣夹头弹性筒夹筒套夹din6499b标准
图片尺寸998x857
定制304不锈钢外六角螺栓din933单头螺丝六角头b5783螺钉紧固件 m10*
图片尺寸755x792
不锈钢螺丝 内六角螺栓 圆柱头内六角螺丝 杯头螺钉din912m5-m16
图片尺寸481x800
厂家自销平键销两头圆型gb1096b型平键 din6885b 机械工业用
图片尺寸400x400
4*2 din927 定位螺钉 台阶螺丝
图片尺寸458x600
din 76-3形螺纹,斜梯形螺纹和圆螺纹以及其他粗牙螺纹的螺纹尾部和
图片尺寸1518x2111
(1) gost 12820-80 12821-80 flanges (2)din 2573 pn6 din 2576 pn10
图片尺寸800x624
南京东明 gb93标准弹簧垫圈垫 din127-b不锈钢弹垫 厂家直
图片尺寸632x883
圆柱头内六角螺钉 din912 gb70 asme b18.
图片尺寸613x677
din76-3-77梯形螺纹锯齿螺纹和圆形螺纹及其他粗牙螺纹的螺纹尾部和
图片尺寸792x1100
din705-b 侧面带孔圆螺母 螺母
图片尺寸750x690
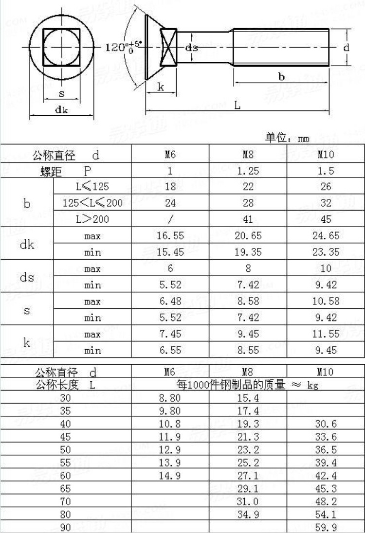
沉头120度方颈螺栓din605-1981
图片尺寸750x1096
弹垫spring washer din127
图片尺寸1062x628
iso 4014 din 931 bs 1111 nen 1555 ansi b18.2.3.
图片尺寸610x229
din43650 a/b/c型现货进口赫斯曼接头 电磁阀插头 赫斯曼连接器
图片尺寸749x1024
din 76-中文版
图片尺寸1670x2338
内螺纹圆柱销标准规格表-gb120_din7979
图片尺寸511x503