GB97.2

gb97.2倒角平垫
图片尺寸736x481
din125.2 b型 加硬 平垫圈 a级 代用:gb97.
图片尺寸360x270
2)广告|驻马店汽车音乐广播(fm97.2)广告部|驻马店汽车音乐广播(fm97.
图片尺寸500x500
gb9712002国家行业标准pdf5页
图片尺寸792x1099
蓬发gb97铁镀锌平垫片平垫圈华司垫¢2345到42非标可订
图片尺寸790x1137
2 大平垫 c级 gb96-76 大平垫 c级 gb96-85 大平垫 c级
图片尺寸360x270
深圳平垫圈 平垫片gb97.1厂家
图片尺寸546x606
gb 97.1-85 平垫圈 a级
图片尺寸2232x3024
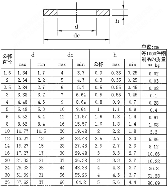
gb/t 97.2 - 2002 平垫圈 倒角型 a级
图片尺寸1200x800
gb 9706.17-2009 医用电气设备 第2部分:γ射束治疗设备安全专用要求
图片尺寸2411x3410
1-2002)平垫圈 倒角型 a级尺寸(gb/t 97.2)销轴用平垫圈尺寸(gb/t 97.
图片尺寸554x426
【纸版图书】gb/t 97.2-2002平垫圈 倒角型 a级
图片尺寸700x1000
惠利得gb97.
图片尺寸800x800
gb97.2 304不锈钢a级倒角型平垫圈 平垫片介子m5m6m8m10m12m16m20
图片尺寸790x600
304不锈钢a级倒角型平垫圈倒角平垫片介子m5m6m8m10m12m16 gb97.
图片尺寸800x800
304不锈钢a级倒角型平垫圈倒角平垫片介子m5m6m8m10m12m16 gb97.
图片尺寸1000x1000
ed round head wood screws gb100 slotted countersunk head wood
图片尺寸1141x808
gb97.2 镀锌a级倒角型平垫圈圆形铁平垫片介子m8m10m12m16m20m22
图片尺寸800x800
304不锈钢a级倒角型平垫圈倒角平垫片介子m5m6m8m10m12m16 gb97.
图片尺寸800x800
gb97.2 304不锈钢a级倒角型平垫圈螺丝垫片介子m5m6m8m10m12-m30
图片尺寸800x800