IGBT图形符号

长见识了igbt管果然和电路符号一样是场管和bjt的综合体
图片尺寸579x540
igbt主要参数igbt的测试方法及与mosfet的对比分析kiamos管
图片尺寸336x365
272igbt管的电路符号与引脚排列
图片尺寸682x398
可显著降低家用电器功耗东芝igbt产品又添新成员
图片尺寸358x194
的符号 a a a b g k d k t g k gto e gtr g s vdmos c d g e igbt c
图片尺寸1080x810
如何用万用表测量igbt功率模块
图片尺寸528x239
igbt符号
图片尺寸372x367
基于单片机控制igbt的应用怎么实现首先得了解igbt是啥
图片尺寸684x315
igbt不得不知道之——frd
图片尺寸680x227
关注详解mos管和igbt的区别
图片尺寸696x269
xns40n60thigbt芯片的数据手册免费下载
图片尺寸443x271
电阻器的图形符号表
图片尺寸700x457
制二极管 带阻尼二极管及电阻 npn 型三极管 表示符号:q,vt igbt 场
图片尺寸625x524
igbt模块的简单介绍
图片尺寸450x232
igbt的符号是什么?igbt的图形符号!
图片尺寸598x350
一种igbt串联二极管组合型逆阻器件串联均压电路的制作方法
图片尺寸353x525
igbt的等效电路及符号
图片尺寸456x233
常用电子元器件的符号
图片尺寸702x1027
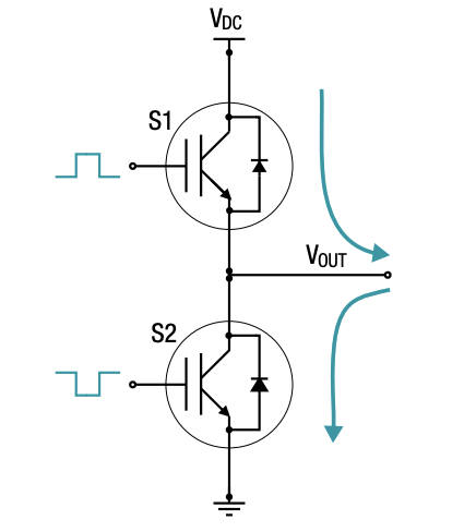
干货igbt和sic栅极驱动器基础知识
图片尺寸436x488
电路识读16-克莱斯勒车系汽车电路识读
图片尺寸900x1020