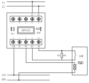
JBF5141接线图

北大青鸟消防模块jbf-141f-n怎么接线
图片尺寸720x509
接线方法)jbf5141输入输出模块有源输出接线方法jbf4142输入输出模块
图片尺寸972x649
北大青岛消防强切接线图
图片尺寸889x529
③线路对地阻值未达到要求,或主机和模块接线接触不良.
图片尺寸924x537
青鸟5141模块卷帘门两步降怎么接线
图片尺寸2048x1759
输入/输出模块
图片尺寸307x286
北大青鸟jbf3141jbf141fn编码型输入输出模块
图片尺寸650x376
大华消防模块接线图
图片尺寸720x546
北大青鸟jbf-3141,jbf-141f-n编码型输入/输出模块报警设备接线
图片尺寸791x390
接线方法jbf5141输入输出模块无源输出接线方法jbf4142输入输出模块
图片尺寸689x703
北大青鸟输入输出模块jbf-3141,jbf-141f-n安装接线图
图片尺寸700x570
jbf5155输入输出模块(控制非自保持设备接线方法)jbf5155输入输出模块
图片尺寸770x647
信号接线方法)jbf5131输入模块(接收断开反馈信号接线方法)jbf5141
图片尺寸1052x542
青鸟消防产品接线示意图大全
图片尺寸650x399
北大青鸟消防jbf5155模块接线方式
图片尺寸910x512
jbf4141输入输出模块安装接线
图片尺寸950x750
消防强切模块接线图doc
图片尺寸920x1302
这是模块的接线图,接风机的根据接线图来,风机配电柜变化很多,一般
图片尺寸682x346
北大青鸟气体灭火输入输出模块jbf 接线示意图
图片尺寸576x544
jbf-3141,jbf-141f-n编码型输入/输出模块具体接线端子图2
图片尺寸505x313