LED驱动电路

led灯驱动电路图
图片尺寸2003x1258
8-24wled灯驱动电源板1.png
图片尺寸774x474
原理图led恒流驱动芯片tx6128 电路板led恒流驱动芯片tx6128 测量led
图片尺寸1973x1662
stm32单片机控制三极管驱动led灯
图片尺寸655x601
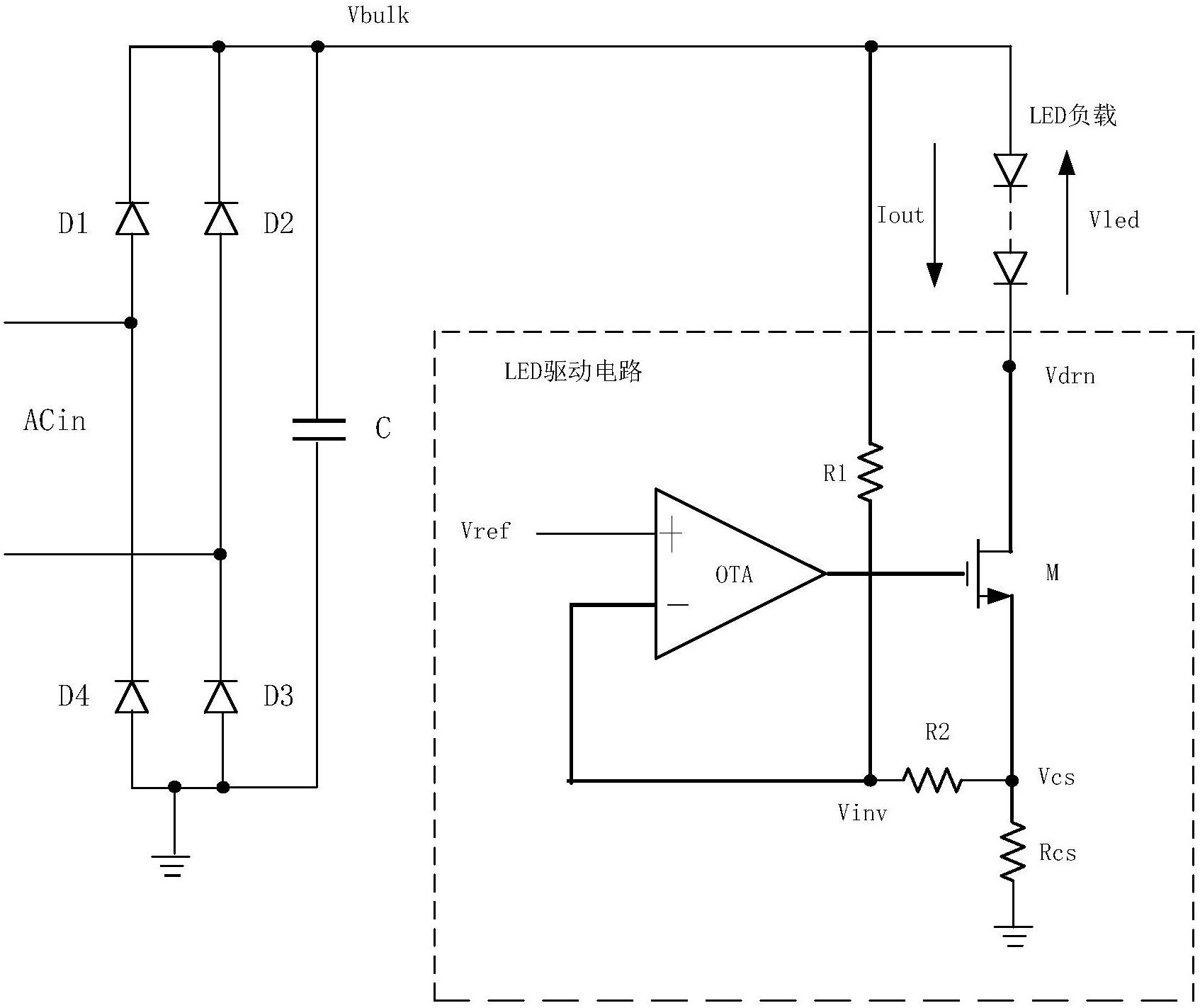
采用ncp1216驱动led的电路
图片尺寸2383x1365
led照明灯阻容降压驱动电路原理图
图片尺寸1080x515
led光源驱动接线图
图片尺寸711x344
第1页 你可能喜欢 led电源设计 led驱动ic led照明资料 led驱动电路
图片尺寸1078x492
wd3100芯片:led恒流驱动电路方案
图片尺寸530x407
led驱动电路板 驱动电路板 电子设计 电子大赛 led恒流源板
图片尺寸430x254
一种新型线性led驱动电路-爱企查
图片尺寸1694x1423
高效led驱动电路
图片尺寸2462x1287
无忧文档 所有分类 工程科技 电子/电路 线性恒流的led驱动原理 本文
图片尺寸661x277
led驱动电路图
图片尺寸695x473
一种led驱动电路,相关电路和装置的制作方法
图片尺寸1000x730
降压型led驱动电源系统设计方案
图片尺寸938x565
二个tl431组成的led恒流电路图与原理分析驱动电路
图片尺寸923x704
led驱动电路
图片尺寸2156x1316
白光led驱动电路的设计与实现
图片尺寸763x406
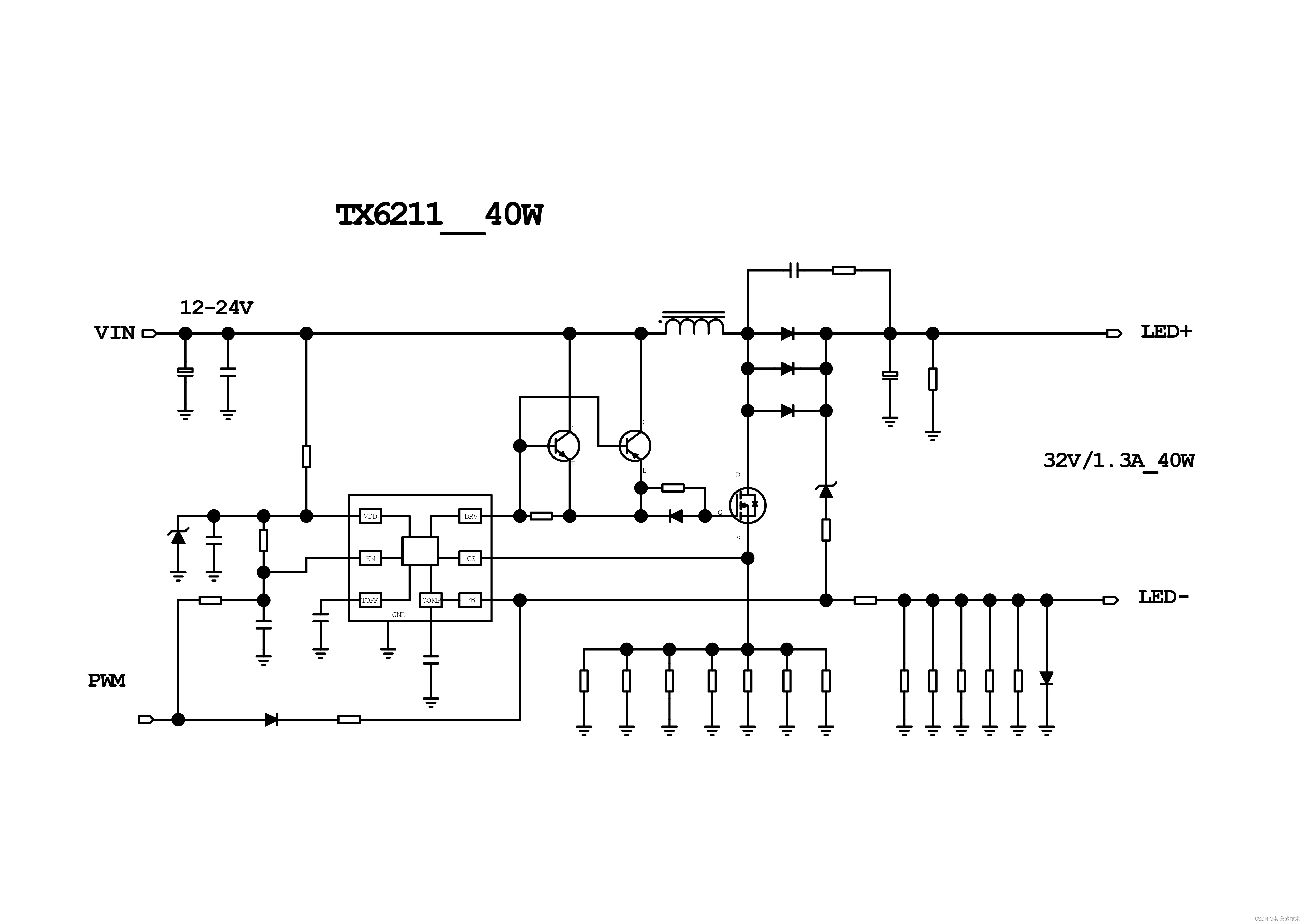
led驱动芯片tx6211原理图led驱动芯片tx6211电路板led驱动芯片tx6211
图片尺寸4950x3508